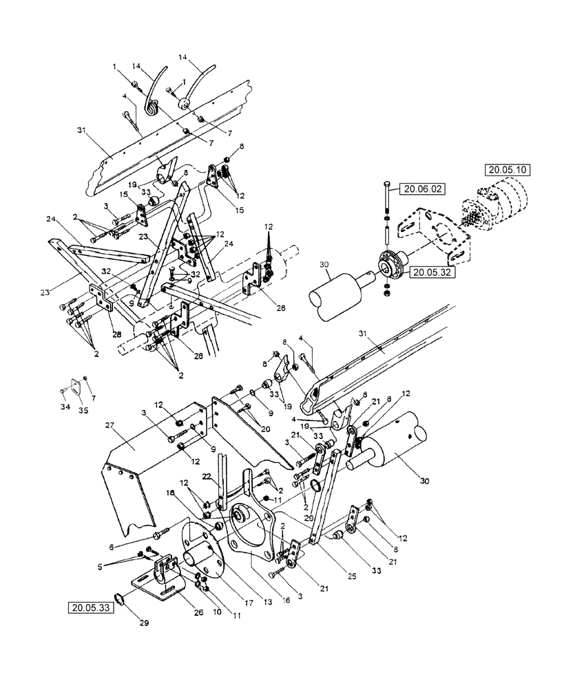
Запчасти Case IH DHX302 (20.05.31) - UII REEL (13) - REEL

Схема запчастей Case IH DHX302 - (20.05.31) - UII REEL (13) - REEL
12
21
21
1
7
34
31
12
28
32
33
7
2
29
21
17
29
2
9
19
9
3
2
3
8
11
7
20.06.02
10
8
8
9
2
24
2
6
9
8
12
27
2
3
31
8
15
8
20
20.05.32
28
32
13
33
3
18
20.05.10
22
24
23
4
5
20.05.33
12
12
21
33
23
26
16
3
3
14
28
8
1
12
12
30
30
4
15
25
19
11
33
12
35
14
FIT
1:1
100%

Артикул

Название

Примечание

Количество

1

413-416

BOLT,Hex, 1/4" - 20 x 1", Gr 5

For Plastic Tine

1шт.

1

86511904

SCREW,Pan, #4 - 40 x 3/4"

For Wire Tine

1шт.

2

413-424

BOLT,Hex, 1/4" - 20 x 1-1/2", Gr 5

1шт.

3

413-528

BOLT,Hex, 5/16" - 18 x 1-3/4", Gr 5

1шт.

4

413-544

BOLT,Hex, 5/16" - 18 x 2-3/4", Gr 5

1шт.

5

433-624

CARRIAGE BOLT,Sq Nk, 3/8" - 16 x 1 1/2", Gr 5

1шт.

6

86562215

FLANGE BOLT,3/8"-16 x 1.75", Cl 5

Flg Hd, G5, 3/8"-16 x 1-3/4"

1шт.

7

280129

NUT,1/4"-20

1шт.

8

231-1445

NUT,5/16"-18, GB

1шт.

9

495-21038

WASHER,5/16"

1шт.

10

495-21044

WASHER,3/8"

1шт.

11

232-4146

NUT,3/8"-16, GC

1шт.

12

86562216

NUT,Keps, w/LW,1/4"-20

Kep, 1/4"-20, w/Lock Washer

1шт.

13

219-1

LUBE NIPPLE,1/8" - 27 NPTF

1шт.

14

86562205

REEL TINE

Plastic

1шт.

14

86562180

REEL TINE

Wire

1шт.

15

86562181

PLATE

Tip

1шт.

16

86562182

RING

5 Bat

2шт.

16

86562206

RING

6 Bat

2шт.

17

86562183

CONTROL

Plate

2шт.

Can Be Used In Place Of Newer Plate W/Newer Sprocket If 1/4" Of Material Is Trimmed Off

1шт.

Prior To PIN K01 2005

1шт.

17

87524555

CONTROL

Plate; Includes: Bushings

2шт.

Can Be Used In Place Of Prior Plate With Prior Sprocket If 4-5 Washers, 86562200 Are Added

1шт.

From PIN K01 2005

1шт.

17

87549064

BUSHING

Bushing

4шт.

Not Shown

1шт.

From PIN K01 2005

1шт.

Used W/87524555

1шт.

18

86562184

ROLLER

Ctl Plt

6шт.

19

86562185

BEARING CARRIER

1шт.

20

86511930

SCREW,Pan, 1/4" - 20 x 3/8"

20шт.

21

86562186

END PLATE

1шт.

22

86562187

ARM

Fxd Control

2шт.

23

86562188

ARM

Lg, 5 x 42

1шт.

23

86562207

ARM

Lg, 6 x 42 (6 Bat)

1шт.

24

86562196

SUPPORT

Brace, 5 x 42

1шт.

24

86562208

SUPPORT

Brace, 6 x 42 (6 Bat)

1шт.

25

86562197

ARM

Reg Control

8шт.

26

86604795

CLAMP

2шт.

27

86562195

SHIELD

5 Bat

10шт.

27

86562209

SHIELD

End, 6 Bat

10шт.

28

86562199

PLATE

Inner, 5 x 42

1шт.

28

86562210

PLATE

Inner, 6 x 42 (6 Bat)

1шт.

29

86562200

WASHER

Shaft

4шт.

30

86562218

SHAFT

Center

1шт.

DHX182 & DHX362 Split Reel

1шт.

30

87048896

SHAFT

Center, 6 Bat

1шт.

DHX182 Only

1шт.

30

86562219

SHAFT

Center

1шт.

DHX212 Only

1шт.

30

86624879

SHAFT

Center, 6 Bat

1шт.

DHX212 Only

1шт.

30

86562201

SHAFT

Center

1шт.

DHX252 Only

1шт.

30

86624872

SHAFT

Center, 6 Bat

1шт.

DHX252 Only

1шт.

30

86562202

SHAFT

Center

1шт.

DHX302 Only

1шт.

30

87048897

SHAFT

Center, 6 Bat

1шт.

DHX302 Only

1шт.

30

87053087

SHAFT

Single Reel

1шт.

DHX362 Only

1шт.

31

86562220

SUPPORT

Reel bat -Al

5шт.

DHX182 & DHX362 Only

1шт.

36FT. Uses Quant. of 10

1шт.

31

86562221

SUPPORT

Reel bat -Al

5шт.

DHX212 Only

1шт.

31

86562203

SUPPORT

Reel bat -Al

5шт.

DHX252 Only

1шт.

31

86562204

SUPPORT

Reel bat -Al

5шт.

DHX302 Only

1шт.

32

86562214

BOLT,5/16" x 1 3/4"

5/16" x 1-3/4", NTL

1шт.

33

87052189

BALL BEARING

1шт.

34

9707580

BOLT,Hex, 1/4" - 20 x 3/4", Gr 5, Full Thd

12шт.

35

87499830

MOUNTING PLATE

End Tine

12шт.

Выбрано товаров: 76