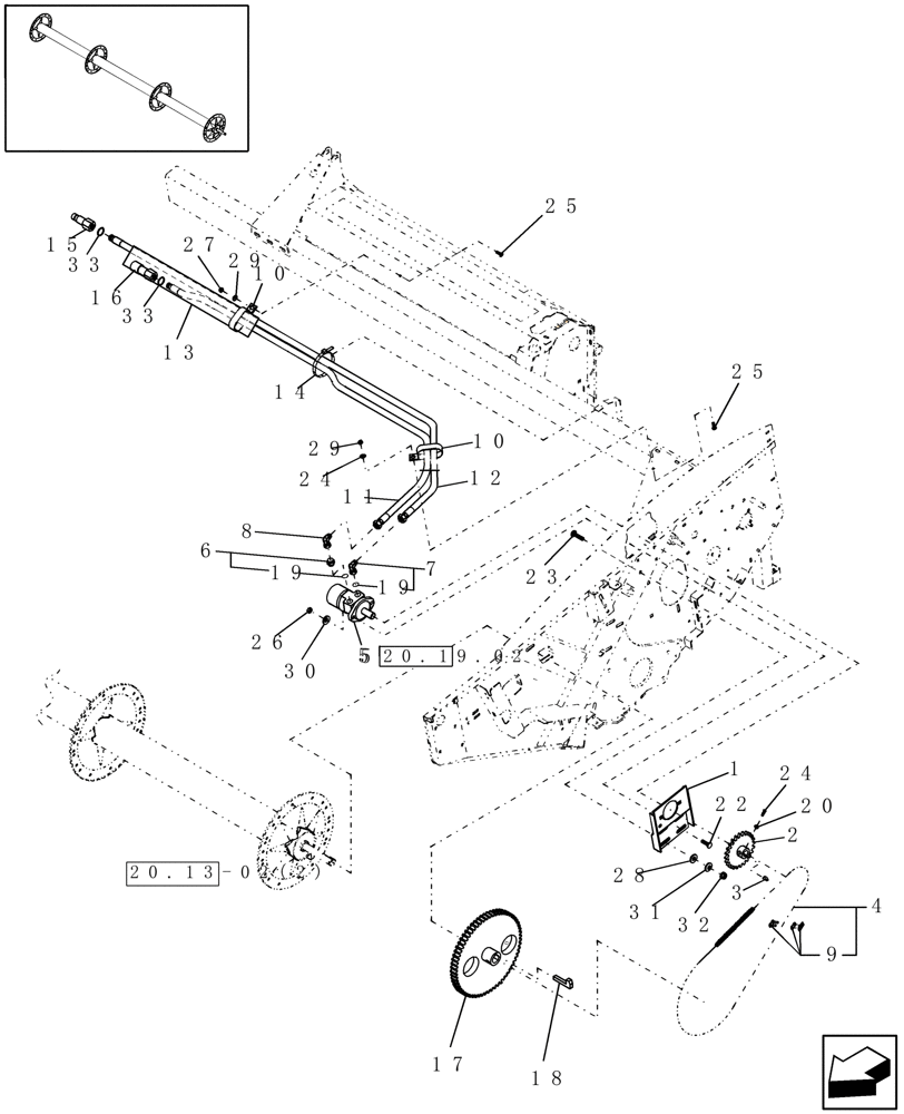
Запчасти Case IH HSX142 (20.19.01[1]) - REEL DRIVE, HYDRAULIC, BSN (35) - HYDRAULIC SYSTEMS

Схема запчастей Case IH HSX142 - (20.19.01[1]) - REEL DRIVE, HYDRAULIC, BSN (35) - HYDRAULIC SYSTEMS
16
27
28
31
15
33
29
24
20
33
22
25
5
17
7
3
20.19.02
12
13
6
2
10
8
4
30
m
26
29
20.13-02(2)
18
h
5
32
11
9
l
10
19
24
23
1
25
14
19
FIT
1:1
100%

Артикул

Название

Примечание

Количество

1

86636616

SUPPORT

1шт.

2

86900436

SPROCKET

25T, RC60

1шт.

3

126-24

WOODRUFF KEY,#15, 1/4" x 1"

1шт.

4

87014085

CHAIN,#60, 104 Links x 19.05mm = 1981.2mm

RC60

1шт.

5

86705516

HYDRAULIC MOTOR

Reel Drive, Includes: Ref. 3

1шт.

6

218-5062

HYD CONNECTOR,7/8"-14, 37 Degree x 7/8"-14, O-Ring

1шт.

7

218-5107

90 ELBOW,90 Degree Elbow, 7/8" - 14 Male JIC x 7/8" - 14 Male ORB

1шт.

8

218-5232

ELBOW,90 Degree, 7/8"-14, 37 Degree x 7/8"-14, 37 Degree Fem Sw

1шт.

9

165590

CONNECTING LINK

1шт.

10

600427

CLAMP,25.4mm, Coat, 8.7mm Bolt Hole, P Type

3шт.

11

87013011

HOSE,0.50" ID x 69.50", SAE 100R17

1шт.

For use w/prior generation WDX_1 tractors

1шт.

11

87055602

HOSE,12.70 mm ID x 2540 mm, SAE 100R17

1шт.

For use w/current generation WDX_2 or prior generation WDX_1 tractors

1шт.

12

87013012

HOSE,0.50" ID x 96.00", SAE 100R17

1шт.

For use w/prior generation WDX_1 tractors

1шт.

12

87055602

HOSE,12.70 mm ID x 2540 mm, SAE 100R17

1шт.

For use w/current generation WDX_2 or prior generation WDX_1 tractors

1шт.

13

9612137

HOSE PROTECTION

2шт.

14

263117

CABLE TIE,292.1mm L, Nylon, Black

CABLE STRAP

1шт.

15

85999239

QUICK MALE COUPLING,3/8" x 3/4" - 16 ORB

1шт.

16

85999238

COUPLING, QUICK, FEM,3/8" x 3/4" - 16 ORB

1шт.

17

9800474

SPROCKET

63T, RC60

1шт.

18

606156

KEY

1шт.

19

237-6010

O-RING,0.097" Thk x 0.755" ID, -910, Cl 6, 90 Duro

1шт.

20

425-105

NUT,5/16"-18, G5

2шт.

22

433-724

CARRIAGE BOLT,Sq Nk, 7/16" - 14 x 1 1/2", Gr 5

2шт.

23

433-836

CARRIAGE BOLT,Sq Nk, 1/2" - 13 x 2 1/4", Gr 5

4шт.

24

86542821

SET SCREW,Sq Hd, 5/16"-18 x 7/8"

2шт.

25

458-512

BOLT,Hex, 5/16" - 18 x 3/4", Gr 5

2шт.

26

425-107

NUT,7/16"-14, G5

2шт.

27

425-285

FLANGE NUT,Flg, 5/16"-18, G5

1шт.

28

262183

WASHER

4шт.

29

322358

BELLEVILLE WASHER,M8 Bolt Size x 18mm OD x 1.4mm Thk

1шт.

30

140046

BELLEVILLE WASHER,M12 Bolt Size x 27mm OD x 1.8mm Thk

2шт.

31

86513238

LOCK WASHER,.515” ID x 1.070” OD x .120” TK

Belleville, 1/2"

4шт.

32

425-288

FLANGE NUT,Flg, 1/2"-13, G5

4шт.

Выбрано товаров: 37