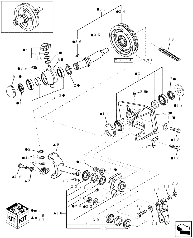
Запчасти Case IH HSX142 (20.14.01[2]) - WOBBLE ASSEMBLY, TIMED (58) - ATTACHMENTS/HEADERS

Схема запчастей Case IH HSX142 - (20.14.01[2]) - WOBBLE ASSEMBLY, TIMED (58) - ATTACHMENTS/HEADERS
6
2
5
27
32
37
31
9
34
28
7
20
24
25
5
17
23
16
4
13
18
11
33
38
3
8
31
26
29
15
39
18
24
22
11
36
7
10
32
30
12
30
4
28
20.14.01(3)
19
22
35
21
29
27
3
1
14
FIT
1:1
100%

Артикул

Название

Примечание

Количество

1

87024720

HUB

Includes: Ref. 2 - 8, 13 - 15, 17, 18, 22, 24, 26, 29, & 33 (Which Includes 34 - 36)

1шт.

2

223297

SEAL,63.5mm ID x 82.75mm OD x 6.76mm Thk

1шт.

3

86621009

BEARING,50mm ID x 82mm OD x 66.44mm W

2шт.

4

86594428

BEARING ASSY

2шт.

5

86594424

DEFLECTOR

2шт.

6

86642629

HUB

1шт.

7

86641483

BEARING LOCK NUT

Special

2шт.

8

196955

DUST CAP

1шт.

9

86642631

YOKE

Wobble

1шт.

10

86618327

BEARING ASSY,Needle

Steady Rest

1шт.

11

65319

WASHER,13.1mm ID x 25.4mm OD x 3.68mm Thk

2шт.

12

86624458

LINK

1шт.

13

262183

WASHER

2шт.

14

86621012

SEAL

1шт.

15

86837258

HOUSING

1шт.

16

87024140

YOKE

Wobble, Includes: Ref. 9, 10, 19, 21, & 29

1шт.

17

86621013

SEAL

1шт.

18

413-836

BOLT,Hex, 1/2" - 13 x 2-1/4", Gr 5

4шт.

19

413-840

BOLT,Hex, 1/2" - 13 x 2-1/2", Gr 5

4шт.

20

429-108

NUT,1/2"-13, G8

1шт.

21

80679

LOCK WASHER,1/20.507 CST ZND

4шт.

22

86513238

LOCK WASHER,.515” ID x 1.070” OD x .120” TK

Belleville, 1/2"

4шт.

23

426-860

BOLT,Hex, 1/2" - 13 x 3-3/4", Gr 8

1шт.

24

425-288

FLANGE NUT,Flg, 1/2"-13, G5

4шт.

25

323190

KEY,10mm x 8mm x 63mm

1шт.

26

219-90

LUBE NIPPLE,45 Degree Elbow, 1/4" -28 NPTF

3шт.

27

86533963

THRUST WASHER

2шт.

28

86536954

SEAL

2шт.

29

219-87

LUBE NIPPLE,1/4" - 28 NPTF

3шт.

30

87021857

NEEDLE BEARING,Needle, 41.27mm ID x 50.8mm OD x 25.4mm W

2шт.

31

616414

OIL SEAL

2шт.

32

86622479

SHIELD

2шт.

33

87024734

SHAFT ASSY.

Wobble Shaft & Flywheel

1шт.

34

87024719

FLYWHEEL

Sprocket

1шт.

35

86642627

SHAFT

Wobble

1шт.

36

170030

KEY,8mm x 7mm x 32mm

8 x 7 x 37

1шт.

38

87029990

BELT

Timing, Includes Instructions

1шт.

37

87039356

WOBBLE BOX

Tool Kit, Wobble Drive

1шт.

Components NSS

1шт.

39

87020723

BRACKET

1шт.

Выбрано товаров: 40