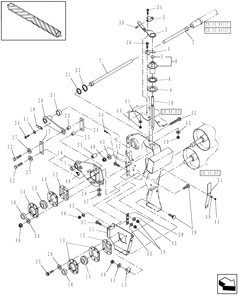
Запчасти Case IH HDX122 (20.15.03[1]) - CONDITIONER, RH, PRIOR TO 10/21/06 (58) - ATTACHMENTS/HEADERS

Схема запчастей Case IH HDX122 - (20.15.03[1]) - CONDITIONER, RH, PRIOR TO 10/21/06 (58) - ATTACHMENTS/HEADERS
25
7
10
21
49
26
37
37
35
39
9
46
31
27
14
4
34
44
11
3
23
15
23
30
16
2
6
16
38
18
26
43
20.15.04(2)
22
20.08.01
20.15.05
24
19
13
29
12
14
28
32
12
15
1
46
46
39
34
14
5
51
7
17
36
43
41
47
20
48
44
32
8
42
45
46
45
41
27
20.15.04(1)
45
34
43
FIT
1:1
100%

Артикул

Название

Примечание

Количество

1

86540342

BUSHING,30.15mm ID x 36.41mm OD x 19.05mm L

2шт.

2

86836979

CLIP

1шт.

Not shown

1шт.

Prior To TY06

1шт.

2

86521553

BOLT,Hex, 5/16" - 18 x 1", Gr 5

1шт.

Not shown

1шт.

Prior To TY06

1шт.

2

87056447

CLIP

1шт.

From TY06

1шт.

Shown

1шт.

3

87056448

OPEN END WRENCH

1шт.

4

86639729

RETAINER

1шт.

5

268489

PLATE,Exp, 1 1/4"

1шт.

6

87013497

NUT

1шт.

7

144385

TORSION BAR

1шт.

8

86628623

WASHER

1шт.

9

86637825

DAMPER

1шт.

10

86628621

ROD

1шт.

11

86628639

SUPPORT

RH

1шт.

12

86633047

SHROUD

2шт.

13

86639702

ANGLE

1шт.

14

86629969

FLANGE

4шт.

15

B92630

BEARING

2шт.

16

45393

COLLAR

2шт.

17

86631385

CONNECTING LINK

1шт.

18

86628652

ARM

Roll, RH

1шт.

19

289688

CLIP

1шт.

20

86632454

ARM

1шт.

21

58821

WASHER,45.24mm ID x 56.36mm OD x 1.65mm Thk

1шт.

22

100-11175

SNAP RING,#175, Ext

1шт.

23

86631384

SPACER

2шт.

24

86631386

CONNECTING LINK

1шт.

25

9849929

SPACER

1шт.

26

65319

WASHER,13.1mm ID x 25.4mm OD x 3.68mm Thk

10шт.

27

262183

WASHER

2шт.

28

87021862

WASHER,19.8mm ID x 38.1mm OD x 4.76mm Thk

Hardened, 3/4"

1шт.

29

87018031

BRACKET

1шт.

30

270184

LINCH PIN,6.35mm OD

1шт.

31

213346

BUSHING,44.78mm ID x 49.61mm OD x 41.27mm L

1шт.

32

413-832

BOLT,Hex, 1/2" - 13 x 2", Gr 5

2шт.

33

86521553

BOLT,Hex, 5/16" - 18 x 1", Gr 5

1шт.

34

458-512

BOLT,Hex, 5/16" - 18 x 3/4", Gr 5

2шт.

35

86521614

BOLT,Hex, 1/2" - 13 x 1 1/4", Gr 5

4шт.

36

Reference Not Used

1шт.

37

88682

CARRIAGE BOLT,Short Nk, 3/8"-16 x 1", Gr 5

3шт.

38

433-820

CARRIAGE BOLT,Sq Nk, 1/2" - 13 x 1 1/4", Gr 5

4шт.

39

425-286

FLANGE NUT,Flg, 3/8"-16, G5

4шт.

40

Reference Not Used

1шт.

41

322358

BELLEVILLE WASHER,M8 Bolt Size x 18mm OD x 1.4mm Thk

2шт.

42

434-58

CARRIAGE BOLT,Sht Sq Nk, 5/16" - 18 x 1/2", Gr 5

1шт.

43

86513238

LOCK WASHER,.515” ID x 1.070” OD x .120” TK

Belleville, 1/2"

7шт.

44

425-285

FLANGE NUT,Flg, 5/16"-18, G5

1шт.

Use Only for Spiral Roll Group

1шт.

45

140045

BELLEVILLE WASHER,M10 Bolt Size x 22mm OD x 1.6mm Thk

4шт.

46

425-288

FLANGE NUT,Flg, 1/2"-13, G5

13шт.

47

232-41412

LOCK NUT,3/4"-10, GC

1шт.

48

219-90

LUBE NIPPLE,45 Degree Elbow, 1/4" -28 NPTF

1шт.

49

322358

BELLEVILLE WASHER,M8 Bolt Size x 18mm OD x 1.4mm Thk

1шт.

Use Only for Spiral Roll Group

1шт.

51

87670750

GUARD

1шт.

For Use W/High Contact "Check-Groove" Rolls

1шт.

For Spiral Rolls Only, Not Used With Chevron Rollers

1шт.

Выбрано товаров: 0