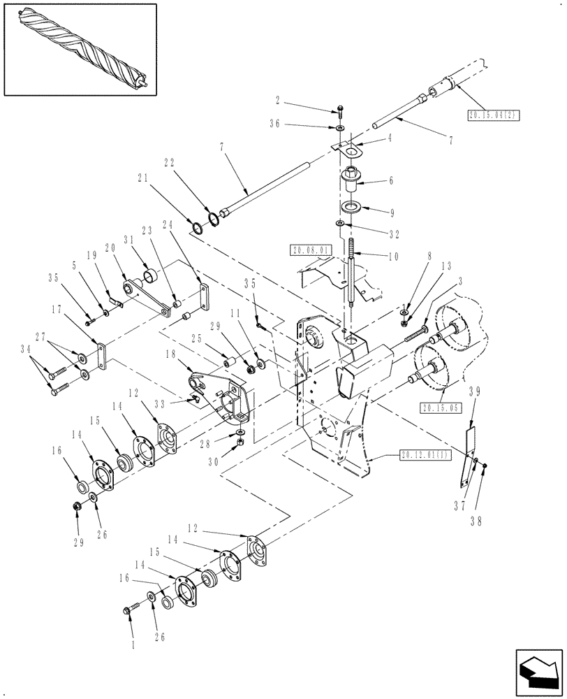
Запчасти Case IH HDX142 (20.15.03[2]) - CONDITIONER, RH, FROM 10/21/06 (58) - ATTACHMENTS/HEADERS

Схема запчастей Case IH HDX142 - (20.15.03[2]) - CONDITIONER, RH, FROM 10/21/06 (58) - ATTACHMENTS/HEADERS
10
17
15
22
32
14
3
20.12.01(1)
25
28
27
26
18
33
24
21
37
23
14
12
39
6
20
2
12
11
29
7
16
4
1
38
5
20.15.04(2)
14
9
35
13
15
34
20.15.05
20.08.01
26
14
8
36
16
29
31
30
35
7
19
FIT
1:1
100%

Артикул

Название

Примечание

Количество

1

86521614

BOLT,Hex, 1/2" - 13 x 1 1/4", Gr 5

4шт.

2

86523775

BOLT,Hex, 3/8" - 16 x 1 1/2", Gr 5

1шт.

3

280818

CARRIAGE BOLT,Sq Nk, 1/2" - 13 x 3", Gr 5

1шт.

4

87583055

RETAINER

1шт.

5

322358

BELLEVILLE WASHER,M8 Bolt Size x 18mm OD x 1.4mm Thk

1шт.

6

87038521

NUT

1шт.

7

144385

TORSION BAR

1шт.

8

140045

BELLEVILLE WASHER,M10 Bolt Size x 22mm OD x 1.6mm Thk

1шт.

9

9849882

WASHER,38mm ID x 65mm OD x 6.35mm Thk

1шт.

10

87061649

THREADED ROD

Rod

1шт.

11

86513238

LOCK WASHER,.515” ID x 1.070” OD x .120” TK

3шт.

12

86633047

SHROUD

2шт.

13

86521606

FLANGE NUT,Hex, 3/8" - 16, Gr 5

1шт.

14

86629969

FLANGE

4шт.

15

84258416

BALL BEARING,34.92mm ID x 77.5mm OD x 25mm W

2шт.

16

45393

COLLAR

2шт.

17

86631385

CONNECTING LINK

1шт.

18

86628652

ARM

1шт.

19

289688

CLIP

1шт.

20

86632454

ARM

1шт.

21

58821

WASHER,45.24mm ID x 56.36mm OD x 1.65mm Thk

1шт.

22

11487

SNAP RING,#175, Ext

1шт.

23

289689

SPACER

2шт.

24

86631386

CONNECTING LINK

1шт.

25

9849929

SPACER

1шт.

26

65319

WASHER,13.1mm ID x 25.4mm OD x 3.68mm Thk

10шт.

27

262183

WASHER

2шт.

28

87021862

WASHER,19.8mm ID x 38.1mm OD x 4.76mm Thk

1шт.

29

86521607

FLANGE NUT,Flg, 1/2"-13, G5

13шт.

30

280375

NUT,3/4"-10, GC

1шт.

31

213346

BUSHING,44.78mm ID x 49.61mm OD x 41.27mm L

1шт.

32

9618968

WASHER,0.41" ID x 0.78" OD x 0.1" Thk

1шт.

33

87569

LUBE NIPPLE,45 Degree, 1/4" NPT x 4/5" L, Drive

1шт.

34

9706716

BOLT,Hex, 1/2" - 13 x 2", Gr 5

2шт.

35

86521552

BOLT,Hex, 5/16" - 18 x 3/4", Gr 5

1шт.

36

80702

WASHER,0.44" ID x 1" OD x 0.08" Thk

1шт.

37

322358

BELLEVILLE WASHER,M8 Bolt Size x 18mm OD x 1.4mm Thk

1шт.

For Spiral Rolls Only, Not Used With Chevron Rollers

1шт.

38

86521605

FLANGE NUT,5/16"-18, Cl 5

1шт.

For Spiral Rolls Only, Not Used With Chevron Rollers

1шт.

39

87670750

GUARD

1шт.

For Use W/High Contact "Check-Groove" Rolls

1шт.

For Spiral Rolls Only, Not Used With Chevron Rollers

1шт.

Выбрано товаров: 43