Запчасти Case IH HDX181 (021) - DIVIDER BUNDLE (58) - ATTACHMENTS/HEADERS

Схема запчастей Case IH HDX181 - (021) - DIVIDER BUNDLE (58) - ATTACHMENTS/HEADERS
17
6
5
3
10
7
14
8
1
1
13
2
11
4
15
12
16
9
FIT
1:1
100%

Артикул

Название

Примечание

Количество

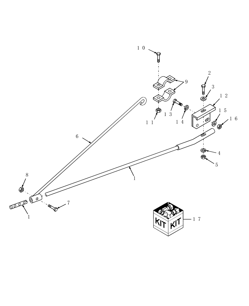
1

86632783

DEFLECTOR

2шт.

2

413-528

BOLT,Hex, 5/16" - 18 x 1-3/4", Gr 5

2шт.

3

495-21038

WASHER,5/16"

2шт.

4

492-11031

LOCK WASHER,5/16"

2шт.

5

425-105

NUT,5/16"-18, G5

2шт.

6

86632781

BAR

2шт.

7

413-520

BOLT,Hex, 5/16" - 18 x 1-1/4", Gr 5

2шт.

8

280736

NUT,5/16"-18, GC

2шт.

9

86632775

CLAMP

4шт.

10

413-828

BOLT,Hex, 1/2" - 13 x 1-3/4", Gr 5

4шт.

11

232-4148

NUT,1/2"-13, GC

4шт.

12

86632777

BRACKET

LH, (Illustrated)

1шт.

12

86632779

BRACKET

RH, (Not Illustrated)

1шт.

13

413-616

BOLT,Hex, 3/8" - 16 x 1", Gr 5

4шт.

14

492-11038

LOCK WASHER,3/8"

4шт.

15

495-21044

WASHER,3/8"

2шт.

17

715295006

ATTACHMENT

BUNDLE, Divider, Complete

1шт.

16

425-106

NUT,3/8"-16, Cl 5

4шт.

Выбрано товаров: 18