Запчасти Case IH 8830 (32) - DRIVE ASSEMBLY, PRIMARY (58) - ATTACHMENTS/HEADERS

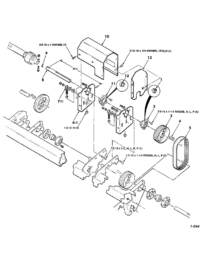
Схема запчастей Case IH 8830 - (32) - DRIVE ASSEMBLY, PRIMARY (58) - ATTACHMENTS/HEADERS
7
3
8
5
13
2
12
9
6
10
4
11
FIT
1:1
100%

Артикул

Название

Примечание

Количество

1

485259R91

BEARING ASSY,1.2505" ID x 72 mm OD x 1.4844"

- spherical

1шт.

2

700706305

BEARING ASSY,31.75 mm ID x 53.19 mm OD x 51.21 mm

BEARING - pillow block

1шт.

3

700108054

SHEAVE

- triple

1шт.

4

761205

KEY

5/16 x 5/16 x 2 GIB KEY

1шт.

5

700703697

V-BELT,0.490" W x 40.00" L, 3 Ribs

3 Powerband 0.490" W x 40.00" L, 3 Ribs

1шт.

6

700117828

SUPPORT

- bearing

2шт.

7

700108059

EYEBOLT

1/2-13 EYEBOLT

2шт.

8

700108065

SHAFT

1шт.

9

761197

WOODRUFF KEY,#23, 5/16" x 1 3/8"

5/16 x 1-3/8 WOODRUFF KEY

1шт.

10

700117832

SHIELD

- drive

1шт.

11

714394

HOUSING ASSY.

BEARING - pillow block

1шт.

12

50336

SHIELD,3.75 mm ID x 62 mm OD x 16, 48.41 mm

- spherical

1шт.

13

700117834

CAP

- shield

1шт.

7701675

BOLT,Hex, 1/2" - 13 x 2", Gr 5

1/2-13 x 2 C

2шт.

700054

CARRIAGE BOLT,Sq Nk, 3/8" - 16 x 1 1/4", Gr 5

3/8-16 x 1-1/4 RHSNB

6шт.

68619

BOLT,Round, 1/2" - 13 x 1 1/4", Grade 5

1/2-13 x 1-1/4 RHSNB

6шт.

7883325

BOLT,Hex, 5/16" - 18 x 3/4", Gr 120M

5/16-18 x 3/4 HWHMS

4шт.

7883382

BOLT,Hex, 3/8" - 16 x 1", Gr 120M

3/8-16 x 1 HWHMS

4шт.

Выбрано товаров: 18