Качественные детали и логистика
Оригинальные и аналоговые запчасти с доставкой по России, Казахстану и Беларуси
©2022 PartSell ООО "Система" ИНН 2463123282 ОГРН 1212400004838
Центральный офис: г. Красноярск, Академика Киренского, д.87, пом.4
Телефон: 8 (800) 777-65-74 Email: zakaz@partsell.ru
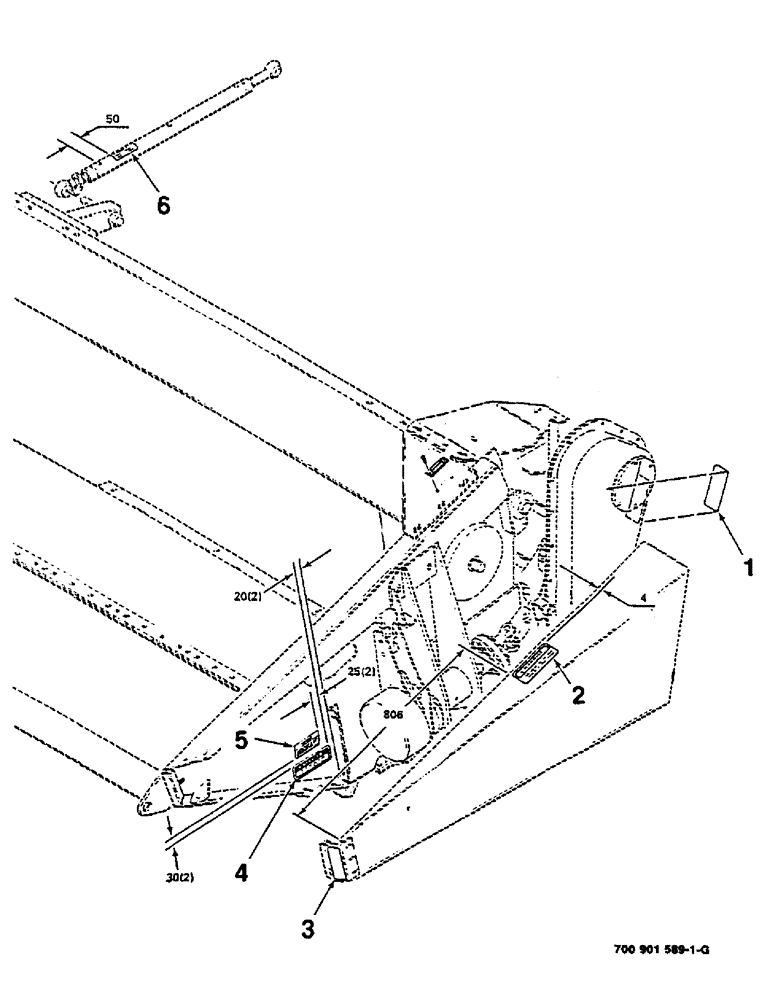
(9-04) - DECAL AND LOCATION DIAGRAM - LEFT
№
Артикул
Название
Примечание
Количество
1
700714346
REFLECTOR
- red
1шт.
2
7778368
DECAL
- warning
3
878694
- amber
4
700713551
- danger
5
700712061
- notice (S.N. CFH0032661 and later)
6
700705829
- guard angle
Выбрано товаров: 0