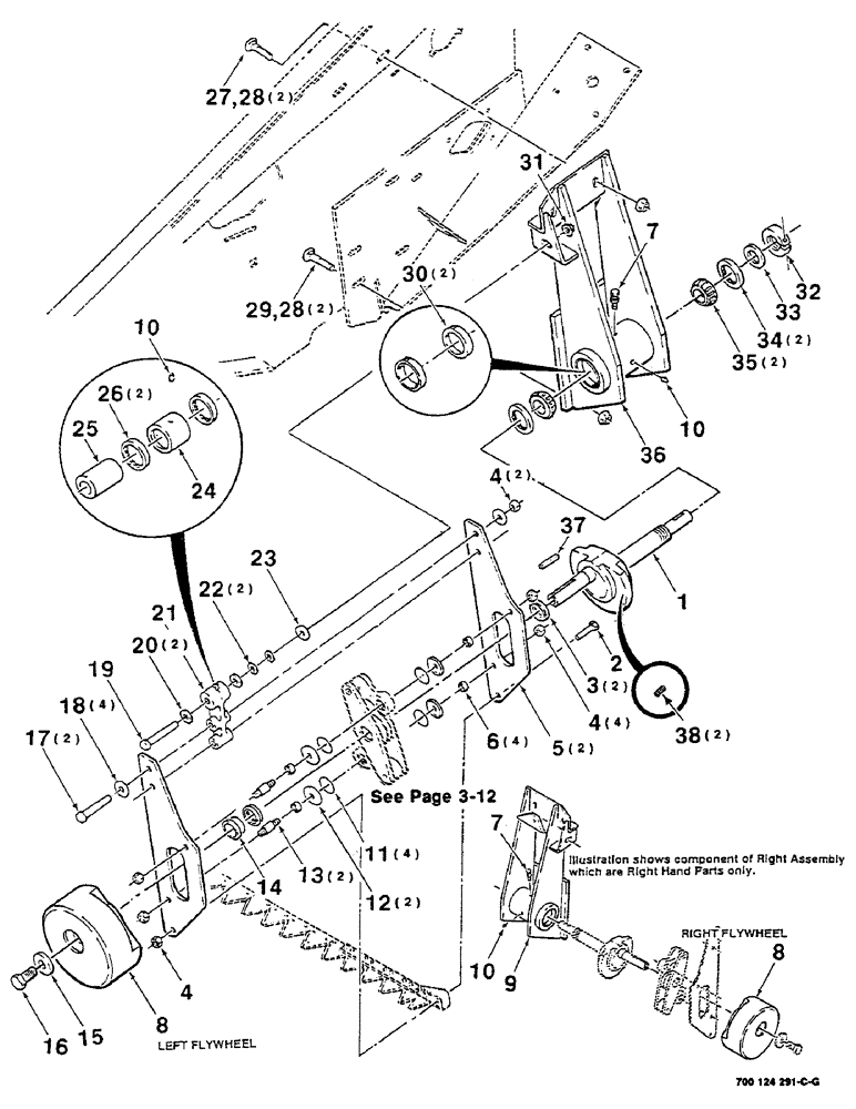
Запчасти Case IH 8840 (3-04) - SICKLE SWAYBAR ASSEMBLY (RIGHT AND LEFT), (S.N. CFH0032227 THRU CFH0032417) (58) - ATTACHMENTS/HEADERS

Схема запчастей Case IH 8840 - (3-04) - SICKLE SWAYBAR ASSEMBLY (RIGHT AND LEFT), (S.N. CFH0032227 THRU CFH0032417) (58) - ATTACHMENTS/HEADERS
25
35
8
33
2
9
29
12
4
7
31
36
24
10
30
14
26
20
19
6
38
28
10
21
15
17
28
8
37
27
5
18
11
22
23
4
32
7
34
1
16
13
4
10
3
FIT
1:1
100%

Артикул

Название

Примечание

Количество

1

700130656

PITMAN

CRANK - Pitman (includes item 38)

1шт.

Ref #1 700130656 also uses 126-36 5/16X1-3/8 woodruff key

1шт.

2

413-1040

BOLT,Hex, 5/8" - 11 x 2-1/2", Gr 5

1шт.

3

700709815

RUBBER SEAL

- grease

2шт.

4

429-1010

NUT,5/8"-11, G8

8шт.

5

700114636

PLATE

- swaybar, half

2шт.

6

700114633

SPACER

4шт.

7

152127H1

BREATHER,1/8"-27, Short

PLUG - vent

2шт.

8

700117843

BALER FLYWHEEL

FLYWHEEL - right

1шт.

700117842

BALER FLYWHEEL

FLYWHEEL - left

1шт.

9

700114609

HOUSING

ASSEMBLY, right

1шт.

10

219-8

LUBE NIPPLE,1/4" - 28 NPTF

NIPPLE, LUBE, 1/4"-28 NPT x .54" lg

3шт.

11

8744187

O-RING,39.7mm ID x 44.93mm OD x 2.69mm

4шт.

12

700709814

WASHER

WASHER

2шт.

13

700114635

PIN,16.99mm OD x 77mm L

- link

2шт.

14

700121402

SPACER

1шт.

15

700114639

WASHER

1шт.

16

25863R1

BOLT,Hex, 3/4" - 16 x 2 1/2", Gr 8

1шт.

17

326-1048

BOLT,Hex, 5/8" - 11 x 3", Gr 8

2шт.

18

1660993

WASHER

4шт.

19

326-1052

BOLT,Hex, 5/8" - 11 x 3-1/4", Gr 8

1шт.

20

700119659

WASHER,16.66mm ID x 44.45mm OD x 6.35mm Thk

2шт.

21

700114625

LINK

ASSEMBLY - upper (includes items 10, 24, 25 and 26)

1шт.

22

495-11066

WASHER,5/8", SAE

5/8 X 14 GAUGE MACHINERY BUSHING

2шт.

23

495-21069

WASHER,5/8"

5/8 WIDE PLAIN WASHER

1шт.

24

B18254

NEEDLE BEARING,Needle, 25.4mm ID x 31.75mm OD x 25.4mm W

BEARING - needle

1шт.

25

700114599

BUSHING,16.27mm ID x 25.55mm OD x 38mm L

1шт.

26

697494R91

OIL SEAL

SEAL - grease

2шт.

27

700709171

SQUARE BOLT

5/8-11 X 1-1/4 RHSNB GR8 NP

2шт.

28

7704919

FLANGE NUT,Flg, 5/8"-11, G8

5/8-11 HFN GR8

4шт.

29

700709172

SQUARE BOLT

5/8-11 X 1-3/4 RHSNB GR8 NP

2шт.

30

170254R1

BEARING, CUP

BEARING CUP

2шт.

31

232-53110

FLANGE NUT,Flg, 5/8"-11

5/8-11 HFTLN GR/G

1шт.

32

700706453

COLLAR

- clamp

1шт.

33

52290

BUSHING

1шт.

34

700706454

SEAL

- grease

2шт.

35

298194R91

ROLLER BEARING,44.45mm ID x 29.37mm W

BEARING CONE

2шт.

36

700114608

HOUSING

ASSEMBLY, left (includes item 30)

1шт.

37

761312

KEY

5/16 X 5/16 X 2-1/2 KEY

1шт.

38

483-13812

SET SCREW,Hex Soc, 3/8"-16 x 3/4"

3/8-16 X 3/4 CPHSSS

2шт.

Выбрано товаров: 40