Запчасти Case IH 8840 (6-28) - AUGER MOUNTING ASSEMBLY (16 FOOT) (58) - ATTACHMENTS/HEADERS

Схема запчастей Case IH 8840 - (6-28) - AUGER MOUNTING ASSEMBLY (16 FOOT) (58) - ATTACHMENTS/HEADERS
4
2
24
14
11
23
7
1
17
16
4
9
18
15
3
20
10
10
12
19
26
6
8
25
21
22
13
5
FIT
1:1
100%

Артикул

Название

Примечание

Количество

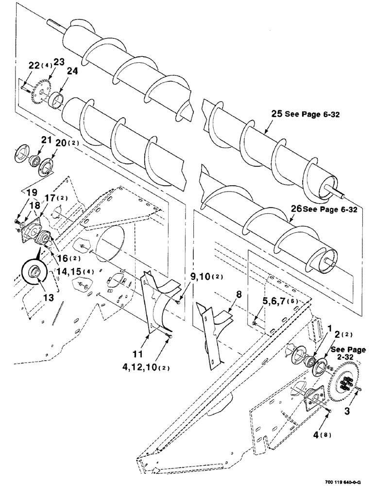
1

619737R91

BEARING ASSY,31.76mm ID x 62mm OD x 18mm W

- spherical

1шт.

2

H747188

FLANGED BEARING,112.73 mm OD x 8.74 mm

FLANGE - bearing

2шт.

3

61424

KEY

1/4 X 1-1/4 GIB KEY

1шт.

4

163-41

SCREW,Sl Hex Wshr Hd, 5/16" - 18 x 1 1/4"

5/16-18 X 1-1/4 HWHMS

10шт.

5

111-360

CARRIAGE BOLT,Short NK, 3/8"-16 x 3/4", G5

BOLT, CARRIAGE, Short NK, 3/8"-16 x 3/4", G5

6шт.

6

492-11038

LOCK WASHER,3/8"

6шт.

7

425-106

NUT,3/8"-16, Cl 5

6шт.

8

700114705

SHIELD

WRAPPER - left

1шт.

9

121-115

SERRATED BOLT,Hex, 5/16" - 18 x 3/4"

2шт.

10

231-5145

SERRATED NUT,Flg, USR, 5/16"-18

NUT, Flg, USR, 5/16"-18

4шт.

11

700114704

SHIELD

WRAPPER - right

1шт.

12

495-61034

WASHER,0.34" ID x 0.88" OD x 0.06" Thk

5/16 WIDE PLAIN WASHER

2шт.

13

700708095

SPHERICAL BEARING

BEARING - spherical

1шт.

14

433-632

CARRIAGE BOLT,Sq Nk, 3/8" - 16 x 2", Gr 5

BOLT, CARRIAGE, Short NK, 3/8"-16 x 2", G5

4шт.

15

232-5316

FLANGE NUT,Flg, 3/8"-16

3/8-16 HFTLN GR/G

4шт.

16

700708582

BEARING ASSY,28.58mm ID

BEARING ASSEMBLY (includes item 13)

2шт.

17

700118684

SUPPORT

MOUNTING - bearing

2шт.

18

6165138

WASHER

WASHER - special

1шт.

19

413-816

BOLT,Hex, 1/2" - 13 x 1", Gr 5

1шт.

20

T27207

FLANGED BEARING

FLANGE - bearing

2шт.

21

485259R91

BEARING ASSY,1.2505" ID x 72 mm OD x 1.4844"

- spherical

1шт.

22

413-640

BOLT,Hex, 3/8" - 16 x 2-1/2", Gr 5

4шт.

23

700114539

SPROCKET

- 50A 28 tooth

1шт.

24

700114589

SPACER

1шт.

25

700124898

AUGER

- upper

1шт.

26

700124899

AUGER

- lower

1шт.

Выбрано товаров: 26