Запчасти Case IH 8840 (9-06) - AUGER CLUTCH KIT, (HK60573 AUGER CLUTCH KIT COMPLETE - TO BE (88) - ACCESSORIES

Схема запчастей Case IH 8840 - (9-06) - AUGER CLUTCH KIT, (HK60573 AUGER CLUTCH KIT COMPLETE - TO BE (88) - ACCESSORIES
16
3
9
2
20
10
15
12
21
8
18
1
6
14
7
17
4
5
11
19
13
8
FIT
1:1
100%

Артикул

Название

Примечание

Количество

HK60573

AUGER CLUTCH KIT COMPLETE

1шт.

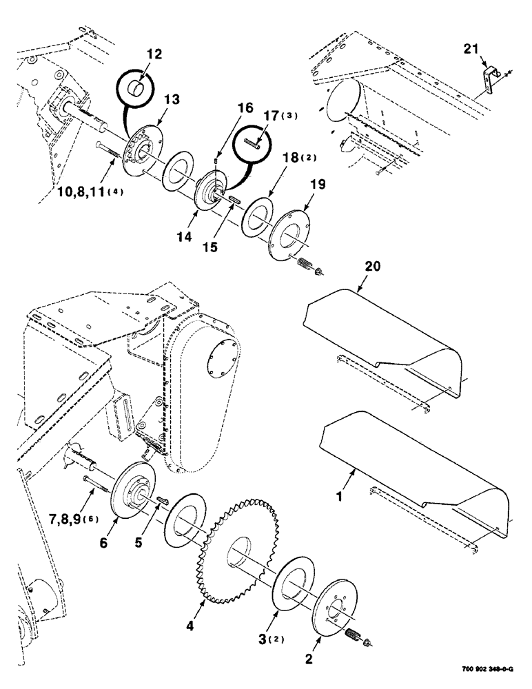
1

700121430

SHIELD

(16 foot)

1шт.

2

700121420

DISC

PLATE - clutch

1шт.

3

700706222

SETTING DIAL

DISC - clutch, friction

2шт.

700711025

CLUTCH PLATE,92mm ID x 161.92mm OD x 3.18mm Thk

DISC - clutch, friction

2шт.

4

700120817

SPROCKET

50-P, 45 TOOTH

1шт.

5

61424

KEY

1/4 X 1/4 X 1-1/4 KEY - gib head

1шт.

6

700121421

HUB

- clutch

1шт.

7

413-552

BOLT,Hex, 5/16" - 18 x 3-1/4", Gr 5

5/16-18 X 3-1/4 C

6шт.

8

58644

SPRING

- compression

10шт.

9

232-5315

FLANGE NUT,Flg, 5/16"-18

5/16-18 HFTLN GR/G

6шт.

10

771972

BOLT

3/8 X 3 HSFCHCS, grade 8

4шт.

11

232-5316

FLANGE NUT,Flg, 3/8"-16

3/8-16 HFTLN GR/G

4шт.

12

700709826

BUSHING

1шт.

13

700121427

SPROCKET

(includes item 13)

1шт.

14

700121423

HUB

ASSEMBLY (includes item 17)

1шт.

15

O5528N

KEY

1/4 X 2-1/4 KEY - straight

1шт.

16

483-1104

SET SCREW,Hex Soc, #10-24 x 1/4"

10-24 X 1/4 CPHSSS

1шт.

17

61-31016

HEX SOC SCREW,#10 - 24 x 1"

SCREW, Hex Soc Hd, #10-24 x 1"

3шт.

18

700709825

DISC

- clutch, friction

2шт.

700711024

DISC

- clutch, friction

2шт.

19

700121425

DISC

- clutch

1шт.

20

700121429

SHIELD

(14 foot)

1шт.

21

700121428

CLIP

- shield

1шт.

Выбрано товаров: 24