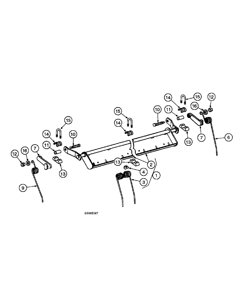
Запчасти Case IH INTERNATIONAL (4-40) - REEL BATSHAFT & FINGERS, 12 AND 14 FOOT HEAVY DUTY PICK-UP REEL, FOR ALL CROPS, BUILT 1981 AND AFTER (13) - REEL

Схема запчастей Case IH INTERNATIONAL - (4-40) - REEL BATSHAFT & FINGERS, 12 AND 14 FOOT HEAVY DUTY PICK-UP REEL, FOR ALL CROPS, BUILT 1981 AND AFTER (13) - REEL
FIT
1:1
100%

Артикул

Название

Примечание

Количество

1

REF

INSTRUCTION

BATSHAFT ASSEMBLY - 12 foot header, not available as a unit, order components

5шт.

1

REF

INSTRUCTION

BATSHAFT ASSEMBLY - 14 foot header, not available as a unit, order components

5шт.

2

826276C1

BAT

SHAFT - 12 foot, no longer available

5шт.

2

826278C1

BAT

SHAFT - 14 foot

5шт.

3

826290C1

FINGER

- double spring, sixteen used with 12 foot, twenty-five used with 14 foot

1шт.

4

595876R1

COVER

RETAINER - finger, sixteen used with 12 foot, twenty-five used with 14 foot

1шт.

434-616

CARRIAGE BOLT,Sht Sq Nk, 3/8" - 16 x 1", Gr 5

BOLT - carriage, 3/8 NC x 1 inch, one per clip (Replaces bolt 495967R1)

1шт.

230-4216

LOCK NUT,3/8"-16, GA

NUT - hex, self-locking, 3/8 inch NC, 1 per clip

1шт.

598526R91

FINGER

ASSEMBLY - pick-up, left-hand, no longer available as a unit, order components

5шт.

6

598527R1

FINGER

- pick-up, left-hand

1шт.

7

592627R21

STRAP

- finger

2шт.

598528R91

FINGER

ASSEMBLY - pick-up, right-hand, no longer available as a unit, order components

5шт.

7

592627R21

STRAP

- finger

2шт.

9

598529R1

FINGER

- pick-up, right-hand

1шт.

10

827385C1

BOLT,Rnd Hd, Spcl Shank, 1/2" x 2 1/2"

- round head hex shank, 1/2 NF x 2-1/2 inch

10шт.

11

598246R1

SPACER

- shank bolt, 9/16 ID x 1-1/4 inch

10шт.

12

9411648

LOCK NUT,1/2"-20, GC

NUT - prevailing torque lock, 1/2 inch NF (Replaces nut 9411818)

10шт.

13

598234R1

BASE

- bearing, bat and finger, inner half, twenty-five used with 12 foot, thirty used with 14 foot

1шт.

14

598235R1

BEARING CAP,1.025"

- bearing, bat and finger, outer half, twenty-five used with 12 foot, thirty used with 14 foot

1шт.

15

598236R1

U-BOLT,U, 1/4" - 20

- bearing, one per bearing

1шт.

231-4144

NUT,1/4"-20, GB

NUT, LOCK, (Replaces nut 9413950) 1/4"-20, GB

1шт.

16

495-81024

WASHER,17/32" x 1 1/4" x .060"

- flat, 17/32 x 1-1/4 x 1/16 inch (Replaces washer 178374R1)

10шт.

Выбрано товаров: 22