Запчасти Case IH INTERNATIONAL (2-06) - HEADER DRIVE (03) - MAIN GEARBOX

Схема запчастей Case IH INTERNATIONAL - (2-06) - HEADER DRIVE (03) - MAIN GEARBOX
FIT
1:1
100%

Артикул

Название

Примечание

Количество

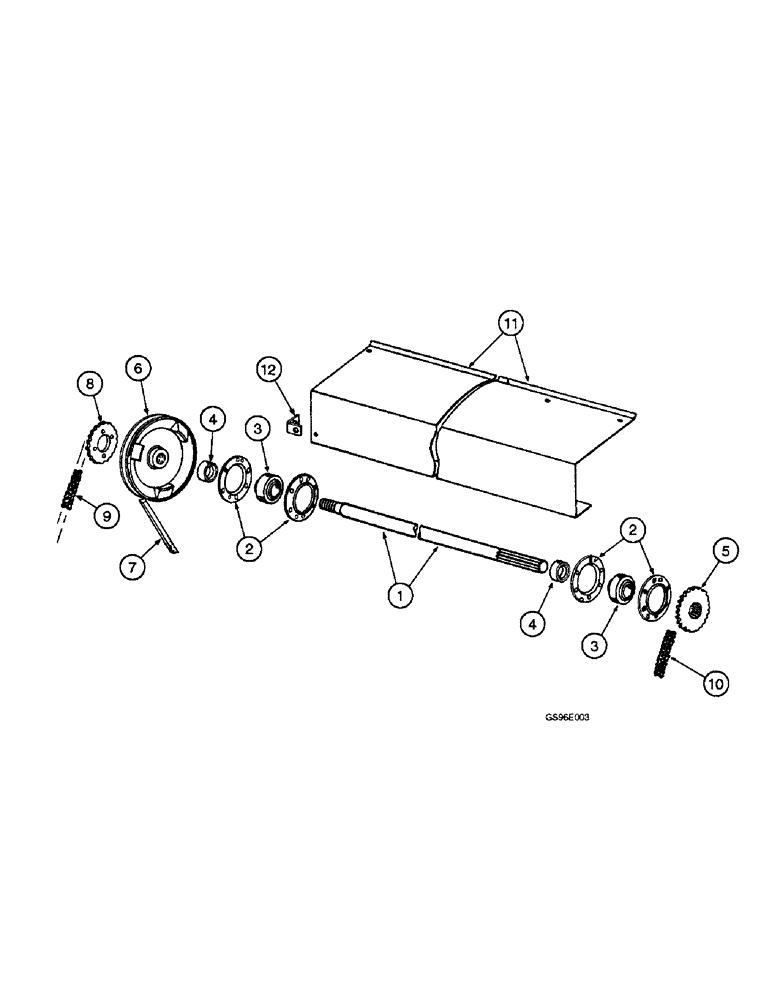
1

828967C2

SHAFT

- header drive, 12 foot

1шт.

1

828968C2

SHAFT

- header drive, 14 foot

1шт.

495-81205

WASHER,32.54mm ID x 50.8mm OD x 1.7mm Thk

- flat, 1-9/32 x 2 x 3/64 inch (Replaces washer 608700R1)

1шт.

495-81203

WASHER,1 9/32" x 2" x .120"

- flat, 9/32 x 2 1/8 inch (Replaces washer 21226R1)

1шт.

2

825620C1

RETAINER

- bearing, drive shaft inner and outer bearing

4шт.

434-616

CARRIAGE BOLT,Sht Sq Nk, 3/8" - 16 x 1", Gr 5

BOLT - carriage, 3/8 NC x 1 inch (Replaces bolt 495967R1)

6шт.

113-207

BOLT,Hex, 3/8" - 16 x 1", Gr 5

(Replaces bolt 180122) Hex, 3/8"-16 x 1", G5, Full Thd

6шт.

425-106

NUT,3/8"-16, Cl 5

12шт.

192-21

LOCK WASHER,3/8"

WASHER, LOCK, (Replaces washer 120382) 3/8"

12шт.

3

485259R91

BEARING ASSY,1.2505" ID x 72 mm OD x 1.4844"

- fan, drive shaft

2шт.

4

455104R11

COLLAR

- locking, bearing

2шт.

483-1386

SET SCREW,Hex Soc, 3/8"-16 x 3/8"

SCREW - set, hex socket headless, 3/8 NC x 3/8 inch, cup point (Replaces screw 102592)

2шт.

5

828807C1

SPROCKET ASSY.

SPROCKET - conditioner drive, 18 tooth

1шт.

38904K

SET SCREW,1/2" - 20 x 1-9/16"

SCREW - set, 1/2 NF x 1 inch, sprocket retaining

1шт.

425-158

JAM NUT,Jam, 1/2"-20, G5

(Replaces nut 124934) Jam, 1/2"-20, G5

1шт.

6

828965C1

PULLEY

- knife drive

1шт.

7

153301C1

V-BELT,0.88" W x 115.87" L

Knife Drive, for Connecting Parts See Page 2-15, Replaces 829413C1 0.88" W x 115.87" L

1шт.

8

595696R1

SPROCKET ASSY.

SPROCKET - auger drive, regular speed, 24 tooth

1шт.

8

592960R1

SPROCKET ASSY.

SPROCKET - auger drive, slow speed, 20 tooth

1шт.

413-512

BOLT,Hex, 5/16" - 18 x 3/4", Gr 5

- hex, 5/16 NC x 3/4 inch (Replaces bolt 180077)

4шт.

492-11031

LOCK WASHER,5/16"

WASHER, LOCK, 5/16"

4шт.

9

REF

INSTRUCTION

CHAIN - auger drive

1шт.

10

REF

INSTRUCTION

CHAIN - conditioner drive

1шт.

11

827997C1

SHIELD

- driveshaft, 12 foot header

1шт.

11

827998C1

SHIELD

- driveshaft, 14 foot header

1шт.

434-512

CARRIAGE BOLT,Sht Sq Nk, 5/16" - 18 x 3/4", Gr 5

BOLT - carriage, 5/16 NC x 3/4 inch (Replaces bolt 598802R1)

2шт.

113-206

BOLT,Hex, 3/8" - 16 x 3/4", Gr 5, Full Thd

(Replaces bolt 180120) Hex, 3/8"-16 x 3/4", G5, Full Thd

1шт.

425-105

NUT,5/16"-18, G5

- hex, 5/16 inch NC

2шт.

425-106

NUT,3/8"-16, Cl 5

1шт.

492-11031

LOCK WASHER,5/16"

WASHER, LOCK, 5/16"

2шт.

192-21

LOCK WASHER,3/8"

WASHER, LOCK, (Replaces washer 120382) 3/8"

1шт.

12

829027C1

ANGLE

- header driveshaft shield support

1шт.

113-207

BOLT,Hex, 3/8" - 16 x 1", Gr 5

(Replaces bolt 180122) Hex, 3/8"-16 x 1", G5, Full Thd

1шт.

425-106

NUT,3/8"-16, Cl 5

1шт.

192-21

LOCK WASHER,3/8"

WASHER, LOCK, (Replaces washer 120382) 3/8"

1шт.

Выбрано товаров: 35