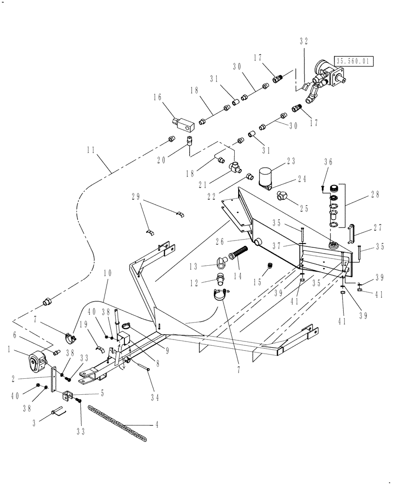
Запчасти Case IH CM109 (35.560.04) - PTO HYDRAULIC DRIVE KIT - 717758006 (35) - HYDRAULIC SYSTEMS

Схема запчастей Case IH CM109 - (35.560.04) - PTO HYDRAULIC DRIVE KIT - 717758006 (35) - HYDRAULIC SYSTEMS
40
31
1
11
22
35
7
35.560.01
26
17
35
30
37
34
27
32
41
18
12
5
17
8
21
41
13
25
29
39
14
39
40
18
9
41
24
16
39
31
33
30
3
23
6
4
33
15
36
20
38
38
2
35
28
38
19
10
7
FIT
1:1
100%

Артикул

Название

Примечание

Количество

W0

ORDER WHOLEGOODS

Field Installed Option, 717758006

1шт.

1

84249496

HYDRAULIC PUMP

PTO Rear Ports

1шт.

2

84243308

ARM

Torque

1шт.

3

283978

PIN,9.53mm OD

1шт.

4

196348

CHAIN,823.91mm L

18 links, .25"

1шт.

5

84243309

YOKE

1шт.

6

217-184

FITTING,1-1/4" Hose Barb x 1-5/16" - 12 Male ORB

1шт.

7

86634186

HOSE CLAMP,32mm - 54mm

2шт.

8

84249499

BRACKET

1шт.

9

270184

LINCH PIN,6.35mm OD

1шт.

10

84249500

HOSE

Suction, 1-1/4" x 76"

1шт.

11

84249501

HYDRAULIC HOSE

3/4" x 108", 12 SAE Swivel

1шт.

12

86643479

HYD CONNECTOR

NPTF to Bead, 1-1/4"

1шт.

13

84249502

45 ELBOW

Street, 1-1/4"

1шт.

14

84249503

FILTER STRAINER

Strainer

1шт.

15

80788

MAGNETIC PLUG

1шт.

16

84243319

VALVE PRESSURE RELIE

1шт.

17

218-903

HYD CONNECTOR,1/2" NPT x 1/2"

2шт.

18

84249504

HYDRAULIC HOSE,0.75" ID x 84.00"

1/2 MP both ends

2шт.

19

84249505

HOLDER

1шт.

20

86637713

HYD CONNECTOR,1/2" - 14 NPT x 1/2" - 14 NPT

1шт.

21

617267

TEE,1/2"-14 Female x 1/2"-14 Male Run

1шт.

22

217-1031

REDUCER,3/4" - 14 NPT x 1/2" - 14 NPT

1шт.

23

70203C2

HYDRAULIC OIL FILTER

Hydraulic, PTO

1шт.

24

84243315

BASE

1шт.

25

217-1020

90 ELBOW,3/4" - 14 Female x 3/4" - 14 Male

1шт.

26

84249507

RESERVOIR, HYDRAULIC

1шт.

27

BN322594

GAUGE

Sight, With Temperature

1шт.

28

614162

BREATHER

1шт.

29

84230756

HOLDER

1шт.

30

84249508

HYDRAULIC HOSE

Hyd, 3/4" x 30", 1/2" MP both ends

2шт.

31

217-1103

HYD CONNECTOR,1/2" - 14 NPT x 1/2" - 14 NPT

2шт.

32

19708

ELBOW

45 Deg. Street

1шт.

33

88044

BOLT,Hex, 3/8" - 16 x 1-1/2", Gr 5

3шт.

34

280177

BOLT,Hex, 3/8" - 16 x 5", Gr 5

2шт.

35

87997

BOLT,Hex, 1/2" - 13 x 5", Gr 5

6шт.

36

87826

SCREW,Slotted Truss Hd, #10 - 32 x 1"

6шт.

37

80700

WASHER,0.56" ID x 1.38" OD x 0.11" Thk

2шт.

38

80680

LOCK WASHER,3/8 0.381 CST ZND

5шт.

39

80679

LOCK WASHER,1/20.507 CST ZND

6шт.

40

9628503

NUT,3/8"-16, G5

3шт.

41

280431

NUT,1/2"-13, G5

6шт.

Выбрано товаров: 42