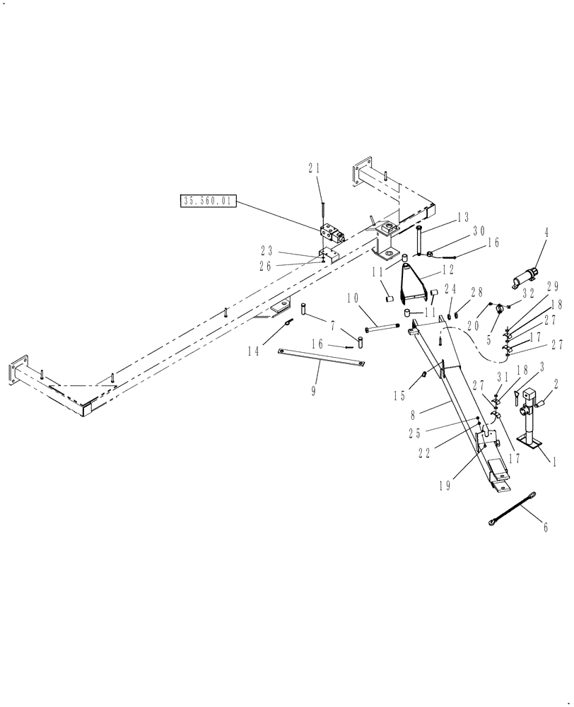
Запчасти Case IH CM212 (39.110.01) - TONGUE, HYDRA SWING (39) - FRAMES AND BALLASTING

Схема запчастей Case IH CM212 - (39.110.01) - TONGUE, HYDRA SWING (39) - FRAMES AND BALLASTING
15
10
32
16
29
28
23
14
27
20
5
18
31
7
6
27
30
27
4
13
1
25
9
11
16
26
21
3
12
11
19
24
35.560.01
18
2
22
8
17
17
FIT
1:1
100%

Артикул

Название

Примечание

Количество

1

84230690

JACK

1шт.

2

84230687

HANDLE

1шт.

3

86590810

KIT

Pin and Chain

1шт.

4

SML49722

HOLDER

Holder for Operator's Manual

1шт.

5

84230694

CLAMP

1шт.

6

850116

CHAIN

Safety Tow

1шт.

7

511935

PIN,25.4mm OD x 98.43mm L

Clevis, 3-1/4" Long, 1-3/16" OD

2шт.

8

84233571

TONGUE

Hydra Swing

1шт.

9

84233572

STOP LOCK

Bar

1шт.

10

84233573

PIN

Tonque

1шт.

11

84233574

BUSHING

1" ID x 1-1/4" OD x 2"

4шт.

12

84233575

PIVOT

Steering

1шт.

13

84233576

PIN

Queen

1шт.

14

178751

COTTER PIN

3/4" x 3-1/4 x .188

1шт.

15

270184

LINCH PIN,6.35mm OD

1/4" Dia, 2-5/32" Long, With 1-7/16" Ring

1шт.

16

87400

COTTER PIN,3/16" x 2"

2шт.

17

84230756

HOLDER

Hose

2шт.

18

84218946

BRACKET

Hose

2шт.

19

88146

BOLT,Hex, 1/4" - 20 x 1", Gr 5

2шт.

20

280687

CARRIAGE BOLT,Sq Nk, 1/4" - 20 x 1 1/4", Gr 5

1шт.

21

86625208

HEX SOC SCREW

5/16-18 x 3

2шт.

22

80682

LOCK WASHER,1/4"

2шт.

23

80681

LOCK WASHER,5/16"

2шт.

24

86512917

LOCK WASHER

1" , Internal Tooth

1шт.

25

7770

NUT,Hex, 1/4 - 20, Cl 5

2шт.

26

9635082

NUT,5/16" - 18, Gr 5

2шт.

27

9628503

NUT,3/8"-16, G5

3шт.

28

425-1516

JAM NUT,Jam, 1"-14, G5

1шт.

29

86625064

NUT,Prev Torque, 3/8" - 16, Gr B

1шт.

30

427652

SLOTTED NUT,1"-14, G5

1шт.

31

88902

NUT,3/8"-16

1шт.

32

88994

SQUARE NUT,Sq, 1/4"-20

1шт.

Выбрано товаров: 0