Запчасти Case IH 420CT (02-07) - CYLINDER BLOCK - OIL FILTER (02) - ENGINE

Схема запчастей Case IH 420CT - (02-07) - CYLINDER BLOCK - OIL FILTER (02) - ENGINE
19
32
30
18
27
6
3
3
2
13
22
9
29
33
12
5
28
14
31
8
33
4
26
35
21
20
23
16
17
25
1
3
24
10
11
7
15
FIT
1:1
100%

Артикул

Название

Примечание

Количество

SBA133689

ENGINE

1шт.

SBA133696R

REMAN-REPLACEMENT EN

1шт.

SBA133696C

CORE-REPLACEMENT ENG

Return Number

1шт.

SBA133696ER

REMAN-REPLACEMENT EN

1шт.

SBA133696EPAC

Return Number

CORE-EPA ENGINE

1шт.

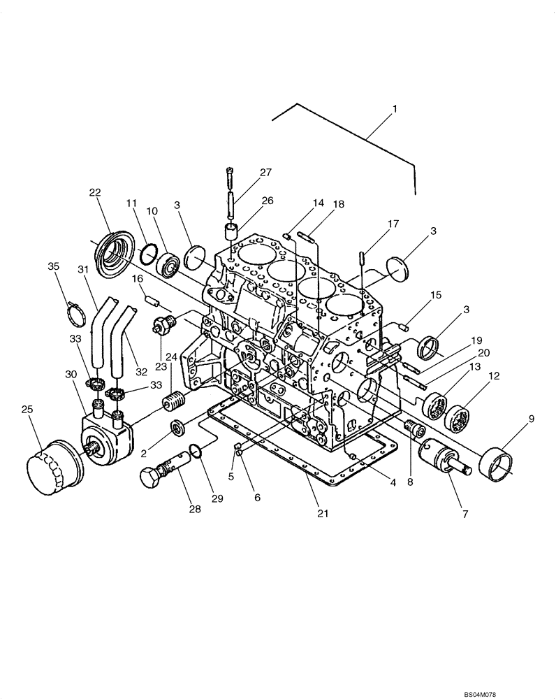
1

NSS

NOT SOLD SEPARAT

Cylinder Block

1шт.

2

SBA064210025

PLUG,25mm

2шт.

3

SBA064210040

CAP

5шт.

4

SBA198466010

PLUG

8.4mm

3шт.

5

SBA198466020

PLUG

10.4mm

2шт.

6

SBA198466030

PLUG

6.5 x 7mm

4шт.

7

SBA165296132

SHAFT

Idler Gear, Uses Pin SBA140196072

1шт.

8

SBA198517090

BUSHING

1шт.

9

SBA198517221

BUSHING

1шт.

10

SBA040106203

BALL BEARING,17mm ID x 40mm OD x 12mm W

1шт.

11

SBA064100045

PLUG

Expansion

1шт.

12

SBA042309018

NEEDLE BEARING

1шт.

13

SBA042309017

NEEDLE BEARING

1шт.

14

SBA030500612

DOWEL

2шт.

15

SBA030500616

DOWEL,M6 x 16

2шт.

16

SBA030501025

BALL STUD,M10 x 25 L

BALL PIN

2шт.

17

SBA030309005

PIN

Spring

2шт.

18

SBA012100820

STUD

3шт.

19

SBA012110660

STUD

1шт.

20

SBA012110635

STUD

1шт.

21

SBA110996860

GASKET

1шт.

22

SBA050209083

SEAL

1шт.

23

SBA064500020

PLUG

Cock

1шт.

24

SBA140546020

ADAPTER

Joint

1шт.

25

87409203

ENGINE OIL FILTER

1шт.

26

SBA120116160

TAPPET

8шт.

27

SBA120456310

PUSH ROD

8шт.

28

SBA140036220

VALVE PRESSURE RELIE

1шт.

29

SBA052109113

O-RING,2.4mm Thk x 9.8mm ID

1шт.

30

SBA140656150

OIL COOLER

Oil Cooler Assy

1шт.

SBA140996390

SEAL

Cooler To Block

1шт.

31

SBA068209246

HOSE

1шт.

32

SBA068209247

HOSE

1шт.

33

SBA067100025

HOSE CLAMP

Hose Band

4шт.

Выбрано товаров: 39