Запчасти Case IH 445CT (02-18) - CYLINDER HEAD - VALVE MECHANISM (02) - ENGINE

Схема запчастей Case IH 445CT - (02-18) - CYLINDER HEAD - VALVE MECHANISM (02) - ENGINE
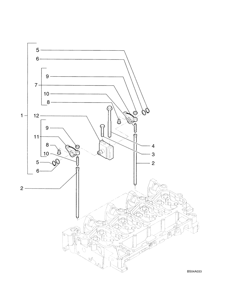
1
2
5
8
5
11
6
10
8
10
9
9
2
6
4
7
3
12
FIT
1:1
100%

Артикул

Название

Примечание

Количество

1

4895195

ROCKER

Incl. Ref 5 - 12

4шт.

2

4895361

PUSH ROD

8шт.

3

2852866

BOLT,Flng, M8 x 1.25 x 75mm, Cl 8.8

4шт.

4

4892860

BOLT,Flng, M12 x 1.75 x 183mm

4шт.

5

4895363

SNAP RING

2шт.

6

4895364

WASHER

2шт.

7

4895196

ROCKER ARM,Exhaust

Incl. Ref 8 - 10

1шт.

8

4895365

INSERT

2шт.

9

4895198

NUT,3/8"-24, Heavy

2шт.

10

4895199

ADJUSTMENT SCREW,3/8" - 24 x 25.85mm

2шт.

11

4895200

ROCKER ARM,Intake

Incl. Ref 8 - 10

1шт.

12

4895204

SHAFT

1шт.

Выбрано товаров: 12