Запчасти Case IH 445CT (06-17) - HYDROSTATICS - PUMP TO DRIVE MOTORS (445CT WITH PILOT CONTROL) (06) - POWER TRAIN

Схема запчастей Case IH 445CT - (06-17) - HYDROSTATICS - PUMP TO DRIVE MOTORS (445CT WITH PILOT CONTROL) (06) - POWER TRAIN
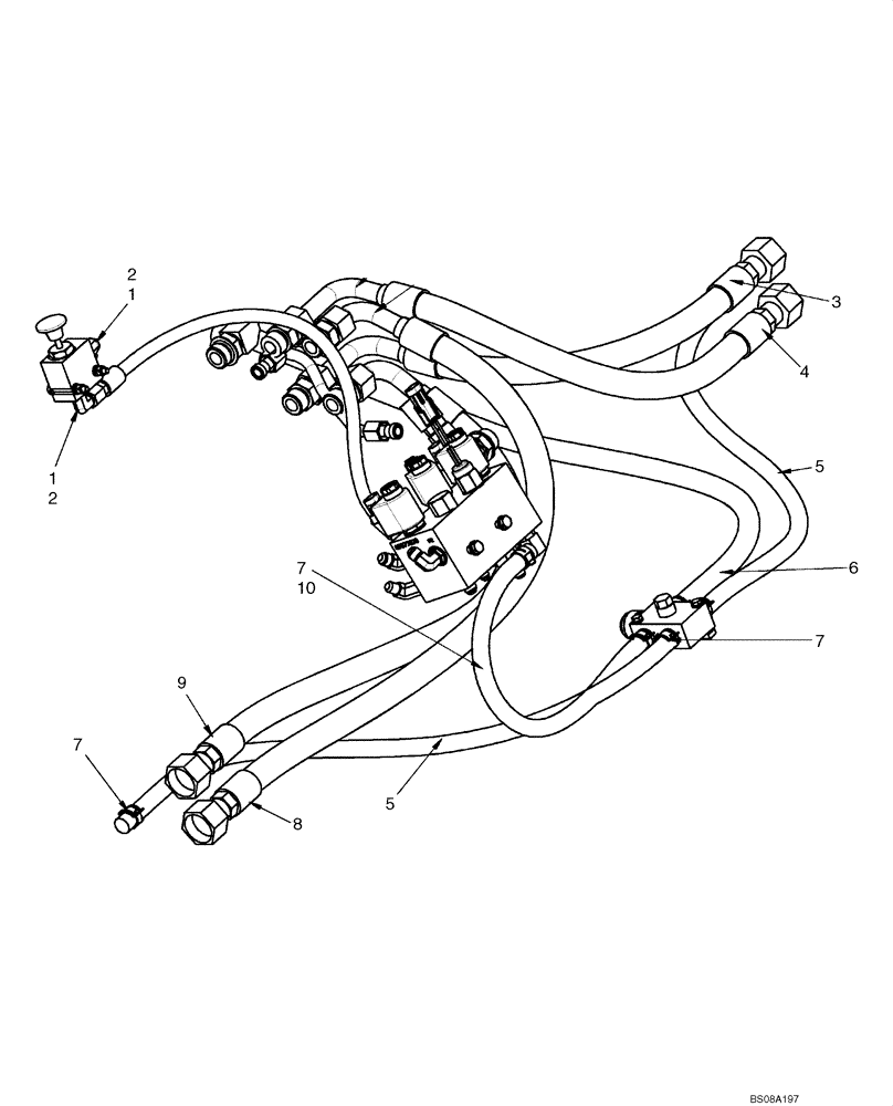
2
1
4
7
5
2
8
7
6
7
9
3
1
10
5
FIT
1:1
100%

Артикул

Название

Примечание

Количество

1

76344

90 ELBOW,9/16" - 18 JIC x 9/16" - 18 ORB

Incl. 2

2шт.

2

9617873

O-RING,0.078" Thk x 0.468" ID, -906, Cl 6, 90 Duro

1шт.

3

87597589

HOSE,19.05mm ID x 560mm L

Hose, Loop, 560mm (22 1/16 in.)

1шт.

4

87597586

HOSE

Hose, Loop, 660mm (26 in.)

1шт.

5

87452385

HOSE,12.70 mm ID x 114.00 mm

Case Drain

2шт.

6

87357123

HOSE

Hose, Pump Drain, 990mm (39 in.)

1шт.

7

87443510

HOSE CLAMP,18.4mm Static ID x 15mm W

6шт.

8

87597962

HOSE,19.05mm ID x 1050mm L

Hose, Loop, 1050mm (41 5/16 in.)

1шт.

9

87597969

HOSE,19.05mm ID x 1000mm L

Hose, Loop, 1000mm (39 3/8 in.)

1шт.

10

87547047

HOSE,12.7mm ID x 520mm L

Multi Valve Drain

1шт.

Выбрано товаров: 0