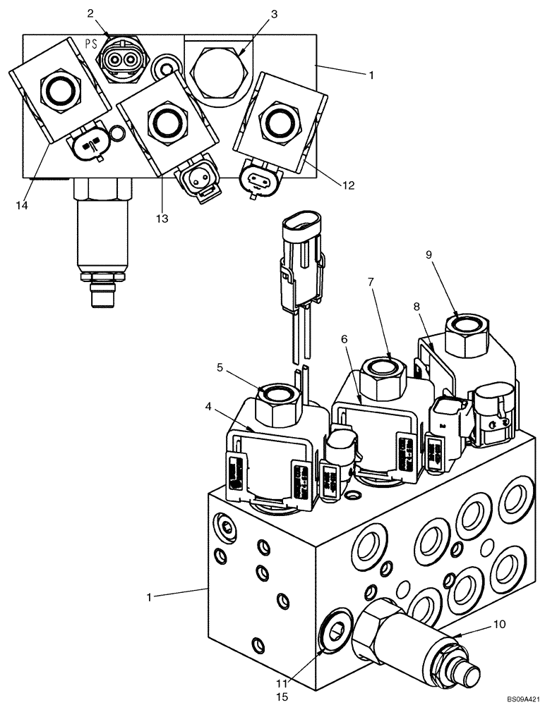
Запчасти Case IH 445CT (06-21A) - HYDROSTATICS - TWO SPEED, VALVE ASSY (445CT WITH PILOT CONTROL) (06) - POWER TRAIN

Схема запчастей Case IH 445CT - (06-21A) - HYDROSTATICS - TWO SPEED, VALVE ASSY (445CT WITH PILOT CONTROL) (06) - POWER TRAIN
14
4
7
9
11
8
15
1
13
5
6
12
2
1
10
3
FIT
1:1
100%

Артикул

Название

Примечание

Количество

1

87756437

HYDRAULIC VALVE

Brake Valve; Two Speed; Incl 2 - 15; If Used

1шт.

1

84167643

VALVE

Brake Valve; Two Speed; Incl 2 - 9, 13-15

1шт.

2

87458061

PRESSURE SWITCH

Brake Valve; Incl. O-Ring Which Is Not Serviced Separately

1шт.

3

87614009

VALVE

Cartridge Valve

1шт.

4

87756427

COIL

1шт.

5

87756430

VALVE

1шт.

6

87756425

COIL

Coil

1шт.

7

87756428

VALVE

1шт.

8

87756426

COIL

1шт.

9

87756429

VALVE

1шт.

10

87352527

VALVE

Sequence

1шт.

11

87426545

ORIFICE

.017 Sauer

1шт.

12

87614014

SEAL KIT

Solenoid Valve

1шт.

13

87614015

SEAL KIT

Cartridge Valve

1шт.

14

87484264

SERVICE KIT

Solenoid Valve Seal

1шт.

15

87484265

SERVICE KIT

Coil Nut And O-Ring

1шт.

Выбрано товаров: 0