Запчасти Case IH 445CT (09-19) - CONTROLS - AUXILIARY HYDRAULICS (09) - CHASSIS

Схема запчастей Case IH 445CT - (09-19) - CONTROLS - AUXILIARY HYDRAULICS (09) - CHASSIS
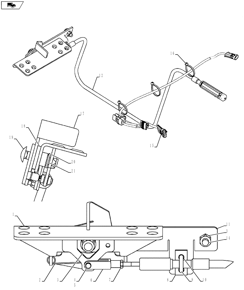
14
17
2
6
12
8
3
4
11
20
10
9
3
19
home
18
5
15
16
1
21
7
FIT
1:1
100%

Артикул

Название

Примечание

Количество

1

87423833

PEDAL ASSY.

If Used

1шт.

1

87741562

PEDAL

1шт.

2

302960A2

SPRING

1шт.

3

86512554

NUT,M10 x 1.5, Cl 10

2шт.

4

D131983

COTTER PIN,1.04mm OD x 21.4mm L, Ring

1шт.

5

234726

CLEVIS PIN,6.29mm OD x 20mm L

1шт.

6

86520436

ADJUSTABLE CLEVIS,1/4" - 28

1шт.

7

86976064

JAM NUT,Jam, 1/4"-28, G5

1шт.

8

H373779

LARGE PLATE

PLATE, LARGE Spacer

1шт.

9

87442439

ROD

1шт.

10

86512440

NUT,M6, Cl 10

2шт.

11

87423814

SUPPORT ASSY.

1шт.

12

87423811

CABLE ASSY.

Aux Hydraulics

1шт.

13

139618A1

DECAL

Decal, Auxiliary Hydraulic Control; Not Shown

1шт.

14

86512446

CARRIAGE BOLT,M10 x 1.5 x 30mm, Cl 8.8

1шт.

15

87715731

HARNESS

Auxiliary Interlock Harness; Incl 15A

1шт.

15a

774735

DIODE,6A

1шт.

16

263117

CABLE TIE,292.1mm L, Nylon, Black

CABLE STRAP

3шт.

17

87446614

LEVER

Pedal Lock Lever

1шт.

18

283839A1

SPACER

Rubber Spacer

1шт.

19

87609276

BOLT

1шт.

20

140018

WASHER,13.5mm ID x 24mm OD x 2.5mm Thk

1шт.

21

L14781

BUSHING,12.8mm ID x 15.94mm OD x 25.4mm L

1шт.

Выбрано товаров: 0