Запчасти Case IH 445CT (02-28) - TURBOCHARGER (87380450) (02) - ENGINE

Схема запчастей Case IH 445CT - (02-28) - TURBOCHARGER (87380450) (02) - ENGINE
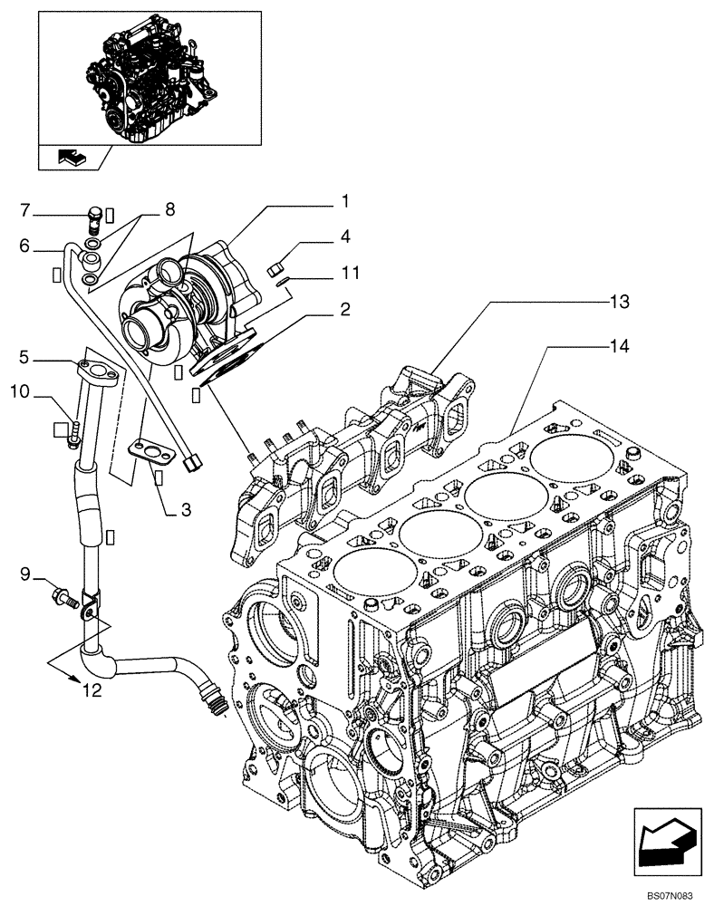
4
6
14
1
2
7
12
8
6
9
13
10
11
3
FIT
1:1
100%

Артикул

Название

Примечание

Количество

1

504242763

TURBOCHARGER

Turbocharger

1шт.

504242763R

REMAN-TURBOCHARGER

445CT ASN N8M458846 , 445 ASN N7M454787 Both TIER 3 (1/08 - 3/11)

1шт.

504242763C

CORE-TURBOCHARGER

Return Number

1шт.

2

4899343

GASKET,0.45mm Thk

1шт.

3

500370706

GASKET

1шт.

4

500322677

NUT,M8

FLANGE NUT

4шт.

5

504164226

PIPE

Pipe

1шт.

6

504164224

PIPE

Pipe

1шт.

7

4864080

BANJO BOLT,M10 x 1.25

M10X1,25

1шт.

8

17750480

SEAL,12.2mm ID x 17.8mm OD x 1.5mm Thk

2шт.

9

16586225

BOLT,M8 x 16mm

1шт.

10

16585825

SCREW,M6 x 20mm

M6 x 20

2шт.

11

13550304

WASHER,8mm ID x 18mm OD x 2mm Thk

8,4X16 mm

4шт.

13

REF

INSTRUCTION

See Figure 02-32, Heat Exchanger

1шт.

13

REF

INSTRUCTION

See Figure 02-21, Exhaust Manifold

1шт.

14

REF

INSTRUCTION

See Figure 02-11, Cylinder Block And Related Parts

1шт.

Выбрано товаров: 16