Запчасти Case IH 450CT (09-52) - AIR CONDITIONING SYSTEM (09) - CHASSIS

Схема запчастей Case IH 450CT - (09-52) - AIR CONDITIONING SYSTEM (09) - CHASSIS
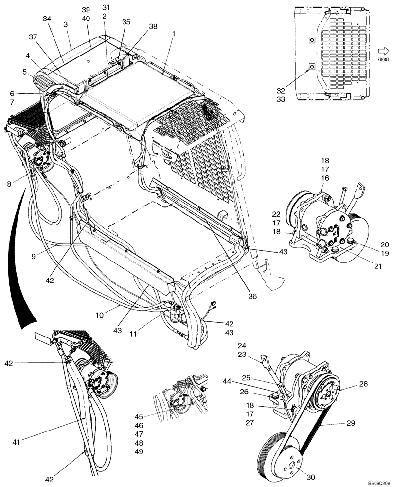
20
6
18
34
17
49
42
3
43
5
41
16
1
7
31
37
44
8
32
29
39
23
43
42
24
10
36
42
25
22
38
4
17
40
35
27
17
42
9
19
11
46
47
48
21
28
33
2
45
43
18
30
26
18
FIT
1:1
100%

Артикул

Название

Примечание

Количество

87626268

SERVICE KIT

Kit, Deluxe Heater And Air Conditioning; Incl 1 - 49

1шт.

1

REF

INSTRUCTION

Heater System; See Fig 09-51

1шт.

2

9804256

BOLT,Hex, M6 x 1 x 20mm, Full Thd, Cl 8.8

3шт.

3

REF

INSTRUCTION

Air Conditioning Sytem; See Fig 09-53

1шт.

4

291308

SEALING STRIP,0.75" W x 0.5" Thick

Seal, 580mm (22 13/16 in.);If Used

1шт.

5

87450833

TAPE

If Used

2шт.

6

9804257

FLANGE BOLT,Hex, M6 x 1.0 x 25mm, Cl 8.8, Full Thd

2шт.

7

86619800

FLANGE NUT,M6 x 1, Cl 8

2шт.

8

87714944

HOSE

Hose, A/C Discharge

1шт.

9

87436118

A/C HOSE

Hose, A/C Suction

1шт.

10

87708377

HOSE

Hose, A/C Liquid; If Used

1шт.

10

87574329

HOSE,7.94mm ID x 105.5mm L

Hose, A/C Liquid

1шт.

11

87438212

HEATER HOSE,15.88 mm ID x 1900.00 mm, SAE 20R3

Return

2шт.

12

87612366

HEATER TUBE

See Fig 09-50

1шт.

13

242680

HYD CONNECTOR,7/8" - 14 JIC x 1/2" - 14 NPT

See Fig 09-50

1шт.

14

642560

FITTING,5/8" Hose x 3/8" NPTF Beaded

See Fig 09-50

1шт.

15

87443511

CLAMP,22mm - 26mm, CTB-24, Style C

See Fig 09-50

4шт.

16

9706704

BOLT,Hex, M10 x 1.5 x 41.58mm, Cl 8.8

2шт.

17

86050279

FLANGE NUT,M10 x 1.5, Cl 10

4шт.

18

86624176

WASHER,11mm ID x 20mm OD x 2mm Thk

If Used

4шт.

18

86639325

WASHER,10.8mm ID x 24.5mm OD x 3mm Thk

4шт.

19

9515003

BOLT,Hex, M10 x 1.5 x 30mm, Cl 10.9

3шт.

20

140045

BELLEVILLE WASHER,M10 Bolt Size x 22mm OD x 1.6mm Thk

4шт.

21

87710177

BRACKET

Compressor Bracket; If Used

1шт.

21

87647034

BRACKET

Compressor Bracket

1шт.

22

PA7120741

BOLT

1шт.

23

9861444

BOLT,Hex, M10 x 1.5 x 20mm, Cl 10.9

1шт.

24

87684742

ROD

Muffler Rod

1шт.

25

87649979

BOLT,Hex, M8 x 1.25 x 100mm, Cl 8.8

1шт.

26

87709877

BRACKET

Tensioner Bracket

1шт.

27

120068

BOLT,Hex, M10 x 40mm, Cl 8.8

1шт.

28

87649991

AIRCOND. COMPRESSOR,12V, W/ Clutch, W/ Pulley

1шт.

87649991R

REMAN-A/C COMPRESSOR,12V, W/ Clutch, W/ Pulley

450 P.I.N. N7M464019 & AFTER, 450CT ASN N7M464019 , Both (1/08-3/11)

1шт.

87649991C

CORE-COMPRESSOR

Return Number

1шт.

29

87681594

V-BELT,14.24 mm W x 918.00 mm L, 4 Ribs

A/C Drive

1шт.

30

87669405

PULLEY

Pulley, Fan And Compressor

1шт.

31

86624182

WASHER,6.6mm ID x 18mm OD x 1.6mm Thk

3шт.

32

87743081

FASTENER

Spacer

2шт.

33

87713668

FASTENER

Push In

2шт.

34

87462144

INSULATION,25.4mm W x 1070mm L x 12.7mm Thk

Side Screen

3шт.

35

87035391

SELF-TAP SCREW,Pan Hd, M4.8 x 38

2шт.

36

87655334

RELAY,12V, 35A, Micro

35A N.O.

1шт.

37

87492414

PLATE

Cover Plate HVAC

1шт.

38

87492860

SELF-TAP SCREW,1/4" - 20 x 3/4"

Tapping, 1/4 - 20 X .75

3шт.

39

87742340

SCREW,Pan, M6 x 25mm, Cl 4.8

M6 X 25 Pan-HD C/R-Z Full 4.8 BZN

2шт.

40

87436247

THREADED INSERT

2шт.

41

87439990

GUARD,46mm ID x 900mm L, Nylon Woven

Heater Hose Guard

1шт.

42

L11541

CABLE TIE,203.2mm L, Nylon

CABLE STRAP

2-6шт.

43

87729516

FOAM INSULATION

Crushable Foam

3шт.

44

9706690

NUT,M8 x 1.25, Cl 8

1шт.

45

9804277

FLANGE NUT,Hex, M8 x 1.25, Cl 8

1шт.

46

87016870

CLAMP,9.5mm, Coat, 8.7mm Bolt Hole, J Type

1шт.

47

86625263

WASHER,9mm ID x 20mm OD x 1.6mm Thk

2шт.

48

87036413

SPACER,10.34mm ID x 15.88mm OD x 23.8mm L

1шт.

49

43130

BOLT,Hex, M8 x 1.25 x 50mm, Cl 8.8

1шт.

Выбрано товаров: 0