Запчасти Case IH TR270 (29.204.AB[02]) - HYDROSTATIC PUMP, SUPPLY LINES, MECHANICAL CONTROLS (19-NOV-2015 & PRIOR) (29) - HYDROSTATIC DRIVE

Схема запчастей Case IH TR270 - (29.204.AB[02]) - HYDROSTATIC PUMP, SUPPLY LINES, MECHANICAL CONTROLS (19-NOV-2015 & PRIOR) (29) - HYDROSTATIC DRIVE
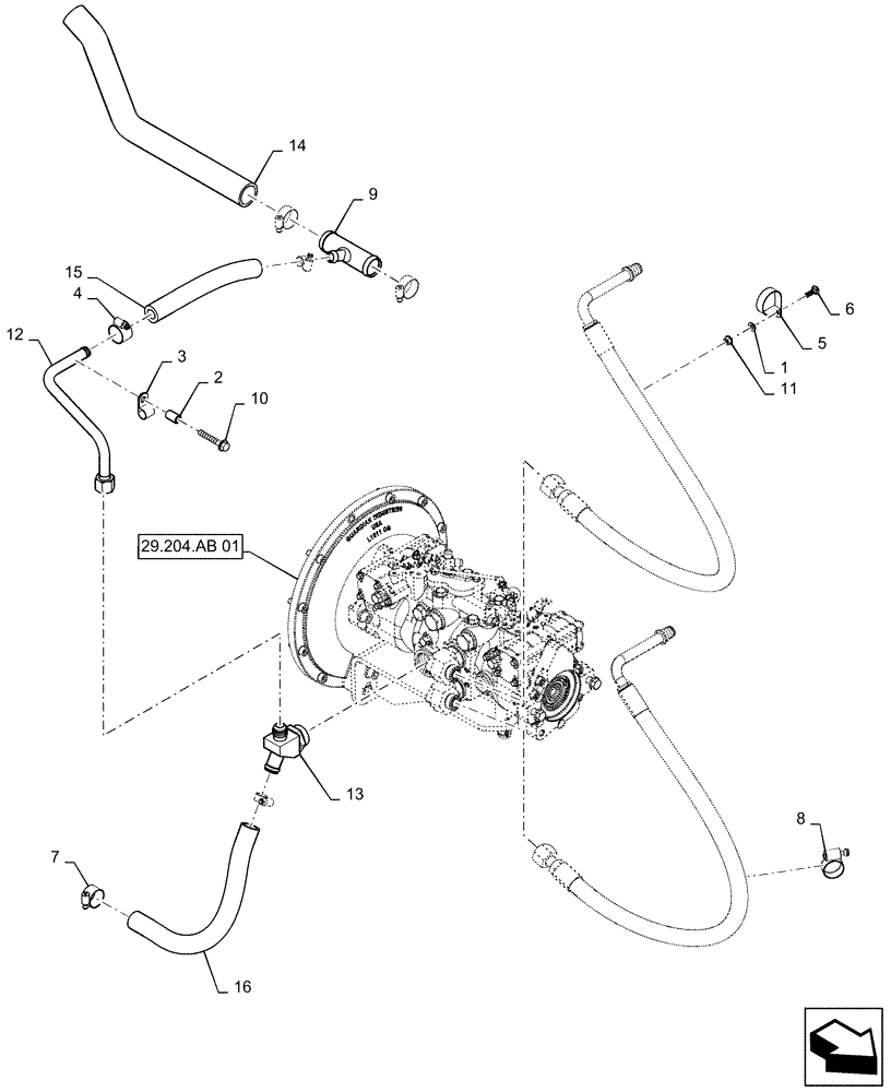
29.204.ab 01
3
4
13
8
6
12
16
2
7
10
1
14
11
15
9
5
FIT
1:1
100%

Артикул

Название

Примечание

Количество

1

87655042

SPECIAL WASHER,8.8mm ID x 17.5mm OD x 2.2mm Thk

5шт.

2

87022737

SPACER,11.1mm ID x 15.9mm OD x 25mm L

1шт.

3

86637999

CLAMP,19mm, Coat, 11.9mm Bolt Hole, P Type

1шт.

4

86625021

HOSE CLAMP,17.5mm - 31.7mm, Worm Gear

2шт.

5

84265306

CLAMP,47.6mm, Coat, 8.7mm Bolt Hole, P Type

2шт.

6

308761

CARRIAGE BOLT,M8 x 1.25 x 25mm, Cl 8.8

2шт.

7

507586

HOSE CLAMP,20.6mm - 44.4mm, Worm Gear

2шт.

8

513309

HOSE CLAMP,1-1/16” - 2”, Worm Gear

4шт.

9

84511713

TEE,-24 Bead x -24 Bead x -12 Bead

1шт.

10

9804265

FLANGE BOLT,Hex, M10 x 60mm, Cl 8.8

1шт.

11

9804277

FLANGE NUT,Hex, M8 x 1.25, Cl 8

3шт.

12

84420270

HYD TUBE,19.05mm OD

Tandem Supply

1шт.

13

84420269

FITTING,1-5/8" - 12 ORB x 1-1/16" - 12 JIC x -16 Hose Barb

1шт.

14

84349293

Gear Pump Suction

HOSE,38mm ID x 622mm OAL

1шт.

15

84344942

HOSE,19.05mm OD x 280mm L

Tandem Supply

1шт.

16

84280437

FLEXIBLE HOSE,25.4mm ID x 425mm L, SAE 100R4

Charge Supply

1шт.

Выбрано товаров: 16