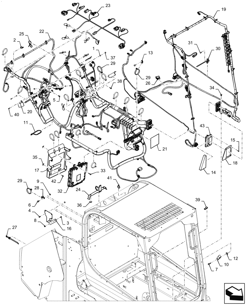
Запчасти Case IH TR310 (55.101.AC[04]) - WIRE HARNESS & CONNECTOR, ELECTRONIC CONTROLS, OPEN CAB (14-NOV-2017 & NEWER) (55) - ELECTRICAL SYSTEMS

Схема запчастей Case IH TR310 - (55.101.AC[04]) - WIRE HARNESS & CONNECTOR, ELECTRONIC CONTROLS, OPEN CAB (14-NOV-2017 & NEWER) (55) - ELECTRICAL SYSTEMS
15
24
29
26
7
20
36
25
22
17
29
32
9
19
29
18
13
30
40
42
5
10
14
12
35
3
43
41
6
4
1
27
38
37
2
11
31
28
16
33
21
23
8
34
39
FIT
1:1
100%

Артикул

Название

Примечание

Количество

1

80707

WASHER,0.25" ID x 0.56" OD x 0.05" Thk

3шт.

2

263117

CABLE TIE,292.1mm L, Nylon, Black

2шт.

3

9706703

CARRIAGE BOLT,Sht Sq Nk, M6 x 1 x 20mm, Cl 8.8, Full Thd

2шт.

4

9804255

BOLT,Hex, M6 x 1 x 16mm, Full Thd, Cl 8.8

2шт.

5

9804256

BOLT,Hex, M6 x 1 x 20mm, Full Thd, Cl 8.8

2шт.

6

9804258

BOLT,Hex, M8 x 1.25 x 20mm, Cl 8.8

2шт.

7

9804260

BOLT,Hex, M8 x 1.25 x 30mm, Full Thd, Cl 8.8

1шт.

8

9804276

FLANGE NUT,Hex, M6 x 1, Cl 8

4шт.

9

9804277

FLANGE NUT,Hex, M8 x 1.25, Cl 8

1шт.

10

47048664

CLAMP,25.40mm - 13.49mm Bolt, CTD

1шт.

11

L18331

CABLE TIE,375.9mm L, Nylon, Black

2шт.

12

47464479

SPACER,10.5mm ID x 25.4mm OD x 8mm L

1шт.

13

47689101

Wire Harness

MOUNT

1шт.

14

47825018

FOAM INSULATION,172mm L x 27.9mm Thk

1шт.

15

47825034

SCREW,Pan Head, #10 - 14 x 5/8"

4шт.

16

47832750

GCU Fuse Mounting

BRACKET

1шт.

17

47860657

BRACKET

UCM Support, Gray

1шт.

18

47867182

Bulkhead Adapter

PLATE

1шт.

19

47920669

WIRE HARNESS

Cab, EH

1шт.

20

47932510

BRACKET

Relay Shield, Gray

1шт.

21

47946314

DECAL

Fuse Box Layout, EH

1шт.

22

47961501

Chassis, EH

WIRE HARNESS

1шт.

23

47961523

Chassis, RH Tower

WIRE HARNESS

1шт.

24

47976862

Harness Retention

BRACKET

1шт.

25

82012869

CABLE TIE,300mm L, Nylon, Black

13шт.

26

82013031

CABLE TIE,193mm L

1шт.

27

84251343

SWITCH

Rocker, Drive Pattern

1шт.

28

84259663

CABLE TIE,228.6mm L, Nylon, Black

4шт.

29

84360210

BASE

Tie

1шт.

30

84360212

CABLE TIE,294.2mm L, Nylon

34шт.

31

84420746

CABLE TIE,403.9mm L, Nylon

10шт.

32

84420768

FASTENER,Pine Tree, 5/8" x 20.01mm

10шт.

33

47395504

ECU

SSL

1шт.

34

86511839

BOLT,Hvy Hex, M6 x 30mm, Cl 8.8

4шт.

35

86511841

BOLT,Flng, M8 x 1.25 x 16mm, Full Thd, Cl 8.8

4шт.

36

86625073

SPRING NUT,M6 x 1

10шт.

37

86625256

WASHER,13.3mm ID x 28.5mm OD x 4mm Thk

2шт.

38

86639241

NUT,Prev Torque, M5 x 0.8, Cl 8

3шт.

39

87017606

SELF-TAP SCREW,Hex Flng, M6 x 1 x 20mm

1шт.

40

87301490

CLAMP,12.7mm, Coat, 10.3mm Bolt Hole, J Type

1шт.

41

87308282

SCREW,HWH, #10 - 32 x 3/4"

3шт.

42

87668737

CABLE TIE,203.2mm L, Nylon, Black

3шт.

43

87682398

SCREW,Torx, Round HD, M6 x 16mm, Cl 10.9

4шт.

44

87718301

WIRE CONNECTOR,Flange

1шт.

Выбрано товаров: 0