Запчасти Case IH TR310 (29.200.AI[01]) - HAND CONTROLS, MOUNTING ASSY (29) - HYDROSTATIC DRIVE

Схема запчастей Case IH TR310 - (29.200.AI[01]) - HAND CONTROLS, MOUNTING ASSY (29) - HYDROSTATIC DRIVE
13
2
4
55.512.cl 01
2
9
9
12
55.512.cl 02
5
1
8
29.200.ai 02
4
10
7
29.200.am 01
90.160.as 01
3
14
7
6
15
3
1
10
11
16
3
5
FIT
1:1
100%

Артикул

Название

Примечание

Количество

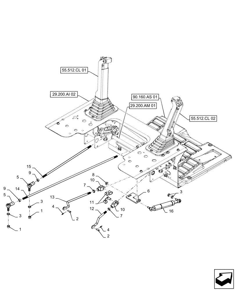
1

80855

NUT,Hex, 3/8" - 24

2шт.

2

234726

CLEVIS PIN,6.29mm OD x 20mm L

2шт.

3

694371

SPACER,9.77mm ID x 15.87mm OD x 5.03mm Thk

2шт.

4

D131983

COTTER PIN,1.04mm OD x 21.4mm L, Ring

2шт.

5

230425A1

BALL JOINT,3/8" - 24 x 1-3/5"

2шт.

6

84338477

BRACKET

Shock Mount

2шт.

7

84221258

THIN NUT,M10 x 1.5, Cl 5

2шт.

8

9804277

FLANGE NUT,Hex, M8 x 1.25, Cl 8

2шт.

9

86509310

NUT,3/8" - 24, Gr 5

2шт.

10

84299261

CLEVIS,10mm ID x 20mm L

2шт.

11

84299262

CLEVIS PIN,10mm OD x 20mm L

Self Retaining Spring

2шт.

12

84300037

ROD,10mm OD x 143.2mm L

Loader Valve Bracket

1шт.

13

84300039

ROD,10mm OD x 283.7mm L

Loader Valve Boom

1шт.

14

84303979

Ground Drive

THREADED ROD,3/8" - 24 x 519mm L

1шт.

15

84303981

Ground Drive

THREADED ROD,3/8" - 24 x 230mm L

1шт.

16

84310789

DAMPER,15mm Rod, 61mm Stroke

Self Center Shock

1шт.

Выбрано товаров: 0