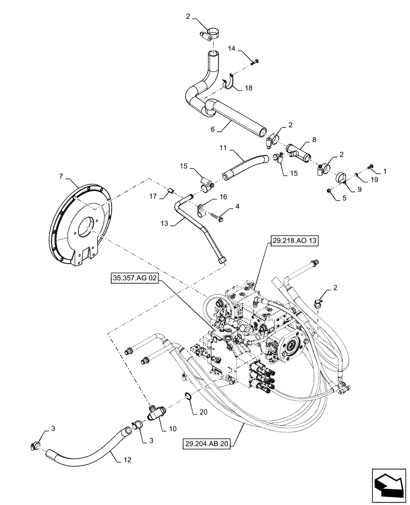
Запчасти Case IH TR310 (29.204.AB[04]) - HYDROSTATIC PUMP, SUPPLY LINES, E-H CONTROLS (19-NOV-2015 & PRIOR) (29) - HYDROSTATIC DRIVE

Схема запчастей Case IH TR310 - (29.204.AB[04]) - HYDROSTATIC PUMP, SUPPLY LINES, E-H CONTROLS (19-NOV-2015 & PRIOR) (29) - HYDROSTATIC DRIVE
16
2
5
10
9
2
2
7
35.357.ag 02
19
14
29.204.ab 20
3
13
3
11
18
20
15
15
29.218.ao 13
6
2
17
12
4
8
1
FIT
1:1
100%

Артикул

Название

Примечание

Количество

1

308761

CARRIAGE BOLT,M8 x 1.25 x 25mm, Cl 8.8

2шт.

2

513309

HOSE CLAMP,1-1/16” - 2”, Worm Gear

4шт.

3

514920

HOSE CLAMP,20.6mm - 38.1mm, Worm Gear

2шт.

4

9804265

FLANGE BOLT,Hex, M10 x 60mm, Cl 8.8

1шт.

5

9804277

FLANGE NUT,Hex, M8 x 1.25, Cl 8

3шт.

6

47612618

Gear Pump Suction

HOSE,38.1mm ID

1шт.

7

47659227

COVER

Flywheel, W/O EHF

1шт.

7

47659211

Flywheel, W/ EHF

COVER

1шт.

8

47788716

TEE,3/4" Hose Barb x 1-1/2" Hose Barb x 1-1/2" Hose Barb

1шт.

9

84265306

CLAMP,47.6mm, Coat, 8.7mm Bolt Hole, P Type

2шт.

10

84344924

Incl 20

90 ELBOW,1-5/16" - 12 ORB x 1-1/16" - 12 JIC x -16 Hose Barb

1шт.

11

84344942

HOSE,19.05mm OD x 280mm L

Hydraulic, Tandem Supply

1шт.

12

84349307

HOSE,25.4mm ID x 530mm L, SAE 100R4

Hydraulic, Charge Supply

1шт.

13

84412282

Tandem Supply

HYD TUBE,19.05mm OD

1шт.

14

86511841

BOLT,Flng, M8 x 1.25 x 16mm, Full Thd, Cl 8.8

1шт.

15

86625021

HOSE CLAMP,17.5mm - 31.7mm, Worm Gear

2шт.

16

86637999

CLAMP,19mm, Coat, 11.9mm Bolt Hole, P Type

1шт.

17

87022737

SPACER,11.1mm ID x 15.9mm OD x 25mm L

1шт.

18

87313360

CLIP,50.8mm, Coat, 8.7mm Bolt Hole, J Type

1шт.

19

87655042

SPECIAL WASHER,8.8mm ID x 17.5mm OD x 2.2mm Thk

2шт.

20

167268

O-RING,0.116" Thk x 1.171" ID, -916, Cl 6, 90 Duro

1шт.

Выбрано товаров: 0