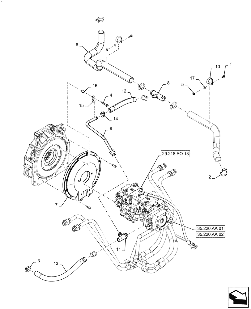
Запчасти Case IH TR310 (29.204.AB[04]) - HYDROSTATIC PUMP, SUPPLY LINES, E-H CONTROLS (20-NOV-2015 & NEWER) (29) - HYDROSTATIC DRIVE

Схема запчастей Case IH TR310 - (29.204.AB[04]) - HYDROSTATIC PUMP, SUPPLY LINES, E-H CONTROLS (20-NOV-2015 & NEWER) (29) - HYDROSTATIC DRIVE
29.218.ao 13
5
12
15
8
6
16
7
13
3
1
17
11
2
14
10
9
4
35.220.aa 01
35.220.aa 02
FIT
1:1
100%

Артикул

Название

Примечание

Количество

1

308761

CARRIAGE BOLT,M8 x 1.25 x 25mm, Cl 8.8

2шт.

2

513309

HOSE CLAMP,1-1/16” - 2”, Worm Gear

4шт.

3

514920

HOSE CLAMP,20.6mm - 38.1mm, Worm Gear

2шт.

4

9804265

FLANGE BOLT,Hex, M10 x 60mm, Cl 8.8

2шт.

5

9804277

FLANGE NUT,Hex, M8 x 1.25, Cl 8

3шт.

6

47612618

Gear Pump suction

HOSE,38.1mm ID

1шт.

7

47659227

COVER

Flywheel

1шт.

8

47788716

TEE,3/4" Hose Barb x 1-1/2" Hose Barb x 1-1/2" Hose Barb

1шт.

9

47821056

Tandem Supply

HYD TUBE

1шт.

10

84265306

CLAMP,47.6mm, Coat, 8.7mm Bolt Hole, P Type

2шт.

11

84344924

90 ELBOW,1-5/16" - 12 ORB x 1-1/16" - 12 JIC x -16 Hose Barb

1шт.

12

84344942

HOSE,19.05mm OD x 280mm L

Tandem Supply

1шт.

13

84349307

HOSE,25.4mm ID x 530mm L, SAE 100R4

Charge Supply

1шт.

14

86625021

HOSE CLAMP,17.5mm - 31.7mm, Worm Gear

2шт.

15

86637999

CLAMP,19mm, Coat, 11.9mm Bolt Hole, P Type

1шт.

16

87022737

SPACER,11.1mm ID x 15.9mm OD x 25mm L

1шт.

17

87655042

SPECIAL WASHER,8.8mm ID x 17.5mm OD x 2.2mm Thk

3шт.

Выбрано товаров: 0