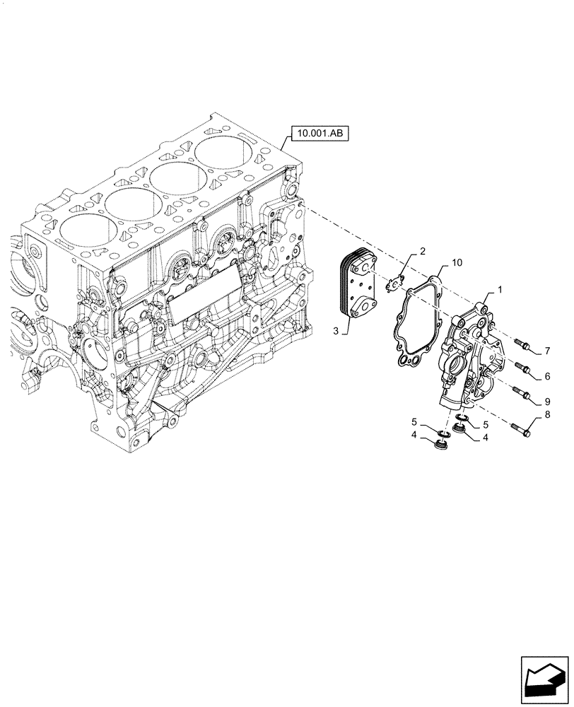
Запчасти Case IH TR320 (10.408.AC) - HEAT EXCHANGER (10) - ENGINE

Схема запчастей Case IH TR320 - (10.408.AC) - HEAT EXCHANGER (10) - ENGINE
5
6
2
8
9
3
1
4
10.001.ab
4
5
7
10
FIT
1:1
100%

Артикул

Название

Примечание

Количество

1

5801508971

HEAT EXCHANGER

1шт.

2

504077557

GASKET

2шт.

3

504078695

OIL COOLER

1шт.

4

10275011

PLUG,M22 x 1.5 x 13

2шт.

5

87332142

SEAL,23.5mm ID x 30mm OD x 1.5mm Thk

2шт.

6

16673635

BOLT,Hex, M8 x 1.25 x 20mm, Full Thd

2шт.

7

16673835

BOLT,Hex, M8 x 30mm

7шт.

8

16586925

BOLT,M8 x 50mm

1шт.

9

16586625

BOLT,M8 x 35mm

2шт.

10

504381582

GASKET

1шт.

Выбрано товаров: 10