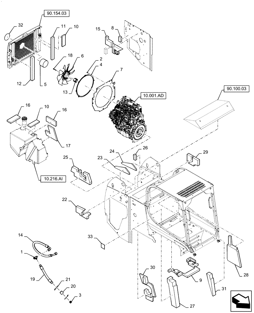
Запчасти Case IH TR320 (90.105.CU) - ENGINE SOUND ACCOUSTICS CAB EURO (90) - PLATFORM, CAB, BODYWORK AND DECALS

Схема запчастей Case IH TR320 - (90.105.CU) - ENGINE SOUND ACCOUSTICS CAB EURO (90) - PLATFORM, CAB, BODYWORK AND DECALS
18
10
12
90.100.03
16
7
22
1
90.154.03
28
21
6
30
10
10.216.ai
33
15
2
4
5
10.001.ad
17
11
32
8
14
31
19
9
26
25
3
23
13
20
16
24
27
29
FIT
1:1
100%

Артикул

Название

Примечание

Количество

1

265978

TEE,1-1/16" - 12 JIC x 1-1/16" - 12 JIC x 1-1/16" - 12 JIC

1шт.

2

281050

SELF-TAP SCREW,#10-24 x 15.44mm OAL

8шт.

2

87308841

RIVET,Pop, 3.97mm OD x 10.79mm L

, Start Year: 28-APR-14

8шт.

3

9790527

PLUG,1-5/16" - 12 JIC

1шт.

4

47383489

CIRCULAR BRUSH,566mm ID x 595mm OD x 3mm Thk

1шт.

5

47391841

FOAM INSULATION

Rear Door

1шт.

6

47488901

Clockwise Pusher

FAN,9 Blades, 560mm OD

1шт.

7

47519892

Shroud Fan Front

PLATE

1шт.

8

84366329

Chassis, LH

FOAM INSULATION,40.5mm W x 118.3mm OAL x 50mm Thick

2шт.

9

84366352

Heal Plate Vertical

FOAM INSULATION

1шт.

10

84372973

FOAM INSULATION,264.4mm L x 87.2mm W x 25.4mm Thk

Fan, LH

1шт.

11

84372981

FOAM INSULATION

Fan

1шт.

12

84372988

FOAM INSULATION,584.4mm L x 67.5mm W x 50.8mm Thk

Fan, RH

1шт.

13

84373345

SPACER

1шт.

14

84383953

HOSE ASSY.

Valve Supply

1шт.

15

84481916

LH Tower Rear

FOAM INSULATION

1шт.

16

84481987

Fuel Tank

FOAM INSULATION,280mm L x 111.9mm W x 30mm Thk

1шт.

17

84482003

Fuel Tank

FOAM INSULATION

1шт.

18

86011090

BOLT,Hex Flng, M10 x 70mm, Cl 8.8

4шт.

19

87351645

HOSE ASSY.,417mm L

Resonator

1шт.

20

87595771

ISOLATOR,200mm L x 50mm W x 3.2mm Thk

1шт.

21

L18331

CABLE TIE,375.9mm L, Nylon, Black

2шт.

22

47391852

FOAM INSULATION

Tower, LH

1шт.

23

47415715

Tilt Hood

FOAM INSULATION

1шт.

24

47415716

Tilt Hood

FOAM INSULATION

1шт.

25

47545246

Tower, RH

FOAM INSULATION

1шт.

26

84366329

Chassis LH

FOAM INSULATION,40.5mm W x 118.3mm OAL x 50mm Thick

1шт.

27

84366336

RH Tower Front

FOAM INSULATION

1шт.

28

84366339

LH Tower Mid

FOAM INSULATION

1шт.

29

84366341

LH Tower Rear

FOAM INSULATION

1шт.

30

84552074

RH Tower Rear

FOAM INSULATION

1шт.

31

84552075

LH Tower Front

FOAM INSULATION

1шт.

32

47638946

Lexan, Rear Door

COVER

1шт.

33

435308A1

DECAL

Sound Level, SR250

1шт.

33

86836504

DECAL

Sound Level, TR320

1шт.

Выбрано товаров: 35