Запчасти Case IH TR320 (90.112.03) - FOOT CONTROL, SERVO-CONTROL (90) - PLATFORM, CAB, BODYWORK AND DECALS

Схема запчастей Case IH TR320 - (90.112.03) - FOOT CONTROL, SERVO-CONTROL (90) - PLATFORM, CAB, BODYWORK AND DECALS
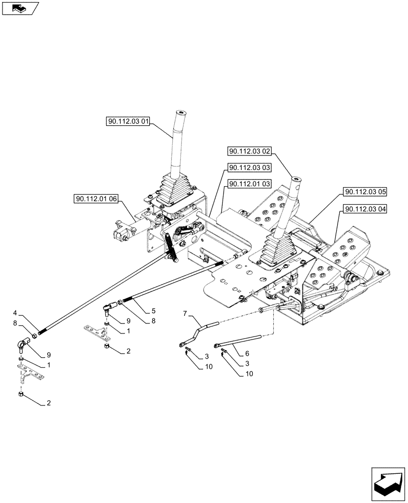
2
90.112.01 03
4
3
90.112.01 06
1
5
8
6
10
9
2
90.112.03 05
10
90.112.03 02
home
90.112.03 04
8
7
90.112.03 03
3
1
9
90.112.03 01
FIT
1:1
100%

Артикул

Название

Примечание

Количество

1

80702

WASHER,0.44" ID x 1" OD x 0.08" Thk

2шт.

2

80855

NUT,Hex, 3/8" - 24

2шт.

3

234726

CLEVIS PIN,6.29mm OD x 20mm L

2шт.

4

84300954

THREADED ROD

1шт.

5

84300956

THREADED ROD

1шт.

6

84317959

ROD,M10 x 1.25 x 278mm L

1шт.

7

84317960

ROD,M10 x 1.25 x 233.3mm L

1шт.

8

86509310

NUT,3/8" - 24, Gr 5

2шт.

9

230425A1

BALL JOINT,3/8" - 24 x 1-3/5"

2шт.

10

D131983

COTTER PIN,1.04mm OD x 21.4mm L, Ring

2шт.

Выбрано товаров: 0