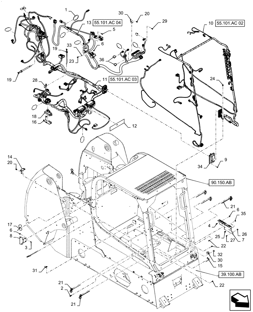
Запчасти Case IH TR340 (55.101.AC[01]) - WIRE HARNESS & CONNECTOR, MECHANICAL CONTROLS (55) - ELECTRICAL SYSTEMS

Схема запчастей Case IH TR340 - (55.101.AC[01]) - WIRE HARNESS & CONNECTOR, MECHANICAL CONTROLS (55) - ELECTRICAL SYSTEMS
39.100.ab
32
20
11
21
31
20
19
23
1
16
6
21
22
33
27
7
9
4
34
8
14
18
3
29
13
5
17
10
6
19
26
21
6
12
2
36
15
22
30
28
24
30
35
25
55.101.ac 02
55.101.ac 03
55.101.ac 04
90.150.ab
FIT
1:1
100%

Артикул

Название

Примечание

Количество

1

263117

CABLE TIE,292.1mm L, Nylon, Black

Nylon

28шт.

2

9671714

FLANGE BOLT,Hex, M8 x 1.25 x 25mm, Cl 8.8

1шт.

3

9706703

CARRIAGE BOLT,Sht Sq Nk, M6 x 1 x 20mm, Cl 8.8, Full Thd

2шт.

4

9804255

BOLT,Hex, M6 x 1 x 16mm, Full Thd, Cl 8.8

2шт.

5

9804256

BOLT,Hex, M6 x 1 x 20mm, Full Thd, Cl 8.8

2шт.

6

9804276

FLANGE NUT,Hex, M6 x 1, Cl 8

6шт.

7

47646213

Relay Mounting

ANGLE

1шт.

8

47651229

Fuse

ANGLE

1шт.

9

47706008

Plastite 10 - 14 x 5/8"

SCREW,Pan Head, #10 - 14 x 5/8"

4шт.

10

47747239

Cab Mech, Years: -13-NOV-16

WIRE HARNESS

1шт.

10

47912908

Cab Mech, Start Year: 14-NOV-16

WIRE HARNESS

1шт.

11

47747259

Chassis Mech. Incl 37, Years: -13-NOV-16

WIRE HARNESS

1шт.

11

47961493

Chassis Mech. Incl 37, Start Year: 14-NOV-16

WIRE HARNESS

1шт.

12

47798490

Fuse Box Layout, Mech, Years: -13-NOV-16

DECAL

1шт.

12

47946305

Fuse Box Layout, Mech, Start Year: 14-NOV-16

DECAL

1шт.

13

47801012

Chassis EH, Years: -13-NOV-16

WIRE HARNESS

1шт.

13

47961520

Chassis EH, Start Year: 14-NOV-16

WIRE HARNESS

1шт.

14

47807585

BRACKET

Harness Crossover

1шт.

15

47807590

BRACKET

LWR Guide, Crossover

1шт.

16

47807591

BRACKET

Control Tray

1шт.

17

82012869

CABLE TIE,300mm L, Nylon, Black

Nylon, Connector Wire

4шт.

18

84131374

MODULE

Prop Aux

1шт.

19

84259663

CABLE TIE,228.6mm L, Nylon, Black

Nylon

1шт.

20

84285339

SELF-TAP SCREW,Hex, M8 x 1.25 x 15mm

2шт.

21

84420746

CABLE TIE,403.9mm L, Nylon

Nylon

10шт.

22

84420768

FASTENER,Pine Tree, 5/8" x 20.01mm

10шт.

23

86511839

BOLT,Hvy Hex, M6 x 30mm, Cl 8.8

1шт.

24

86511841

BOLT,Flng, M8 x 1.25 x 16mm, Full Thd, Cl 8.8

2шт.

25

86512520

BOLT,Hvy Hex, M8 x 12mm, Cl 8.8, Full Thd

2шт.

26

86639241

NUT,Prev Torque, M5 x 0.8, Cl 8

1шт.

27

86639263

BOLT,Hex, M5, Cl 8

1шт.

28

87010657

CLAMP,34.9mm, Coat, 8.7mm Bolt Hole, P Type

1шт.

29

87017606

SELF-TAP SCREW,Hex Flng, M6 x 1 x 20mm

1шт.

30

87035382

CLAMP,30.2mm, Coat, 10.3mm Bolt Hole, P Type

2шт.

31

87301490

CLAMP,12.7mm, Coat, 10.3mm Bolt Hole, J Type

1шт.

32

87311354

SPACER,10.7mm ID x 17.1mm OD x 14.2mm L

1шт.

33

87655041

SPECIAL WASHER,6.85mm ID x 13.5mm OD x 2mm Thk

1шт.

34

87718301

WIRE CONNECTOR,Flange

DRB Flange Interface, Incl in 11

1шт.

35

229197A1

SQUARE NUT,M8 x 1.25, Cl 8

2шт.

36

L11541

CABLE TIE,203.2mm L, Nylon

10шт.

37

82013124

RELAY,12V, 30A

ABS/Glow Plugs, Not Illustrated

1шт.

Выбрано товаров: 41