Запчасти Case IH TR340 (05.100.03[02]) - CAPACITIES (05) - SERVICE & MAINTENANCE

Схема запчастей Case IH TR340 - (05.100.03[02]) - CAPACITIES (05) - SERVICE & MAINTENANCE
2
3
4
5
6
7
5
1
FIT
1:1
100%

Артикул

Название

Примечание

Количество

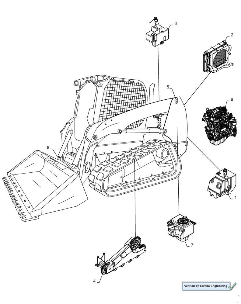
1

Fuel Tank

1шт.

*

Capacity: 25.5 Gal/96.5 L

1шт.

*

Recommended: #2 Diesel Ultra Low Sulfur

1шт.

2

Cooling System

1шт.

*

Capacity: 5.0 Gal/19.0 L

1шт.

*

Recommended: CASE AKCELA ACTIFULL™ OT EXTENDED LIFE COOLANT

1шт.

3

Hydraulic System

1шт.

*

System Capacity: 12.0 Gal/45.4 L

1шт.

*

Reservoir Capacity: 6.0 Gal/22.7 L

1шт.

*

Recommended: CASE AKCELA ENGINE OIL 10W-30

1шт.

4

Final Track Drive

1шт.

*

Capacity: 1.06 Qt/1.0 L, Each Side

1шт.

*

Recommended: TUTELA HYPOIDE EP GEAR LUBE SAE 80W-90

1шт.

5

Grease Fittings

1шт.

*

Recommended: TUTELA MOLY GREASE GR-75 (Molydisulfide)

1шт.

6

Engine Crank Case Oil

1шт.

*

Capacity W/ Filter Change: 9.0 Qt/ 8.5L

1шт.

*

Recommended: CASE AKCELA UNITEK NO.1™ SBL CJ-4

1шт.

7

Emissons Fluid

1шт.

*

Reservoir Capacity: 6.0 Gal/10.7 L

1шт.

*

Low Volume Indicator: 0.6 Gal/2.4 L

1шт.

*

Recommended: DEF/ADBLUE®

1шт.

8

Air Conditioning

1шт.

*

Capacity: 3.3 lbs/1.5 kg

1шт.

*

Recommended: R134a Refrigerant

1шт.

Выбрано товаров: 0