Запчасти Case IH TV380 (88.100.35[07]) - DIA KIT, SELF LEVEL (88) - ACCESSORIES

Схема запчастей Case IH TV380 - (88.100.35[07]) - DIA KIT, SELF LEVEL (88) - ACCESSORIES
12
8
2
5
19
7
18
4
14
15
18
6
16
15
9
17
3
8
13
10
19
11
1
FIT
1:1
100%

Артикул

Название

Примечание

Количество

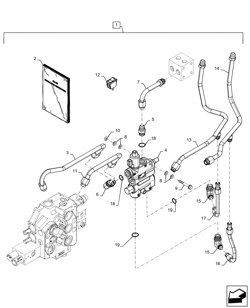
1

47949227

Self Level. Incl 2 - 17

KIT

1шт.

2

47949229

INSTRUCTION

Sheet

1шт.

3

47383482

TUBE

Lower, Loader Valve to Self Level

1шт.

For Mechanical Units

1шт.

4

47948099

HYDRAULIC VALVE

40 Percent Self Level

1шт.

5

87301330

HYD CONNECTOR,7/8" - 14 ORB x 7/8" - 14 JIC

Incl 18

1шт.

6

164910

90 ELBOW,7/8" - 14 JIC x 7/8" - 14 ORB

Incl 18

1шт.

7

84258865

RIGID TUBE

Lower, Self Level to Manifold

1шт.

8

87655042

SPECIAL WASHER,8.8mm ID x 17.5mm OD x 2.2mm Thk

4шт.

9

86511843

BOLT,Hex Flng, M8 x 1.25 x 60mm, Cl 8.8

2шт.

10

229197A1

SQUARE NUT,M8 x 1.25, Cl 8

2шт.

11

84186140

RIGID TUBE

Lower, Loader Valve to Self Level

1шт.

For EH Units

1шт.

12

84271904

SWITCH

Rocker, Self Level

1шт.

13

47922270

HYD TUBE

Bucket, Loader Valve to Right Arm, Rear

1шт.

14

47943441

HYD TUBE

Bucket, Loader Valve to Right Arm, Front

1шт.

15

9617891

ELBOW,90 Degree, 3/4" - 16 JIC x 7/8" - 14 ORB

Incl 19

2шт.

16

47943438

HYD TUBE

Self Level Valve to Bucket, Front

1шт.

17

47922268

HYD TUBE

Self Level Valve to Bucket, Rear

1шт.

18

167269

O-RING,0.097" Thk x 0.755" ID, -910, Cl 6, 90 Duro

2шт.

19

49858

O-RING,0.103" Thk x 0.75" ID, -116, Cl 5, 75 Duro

2шт.

Выбрано товаров: 21