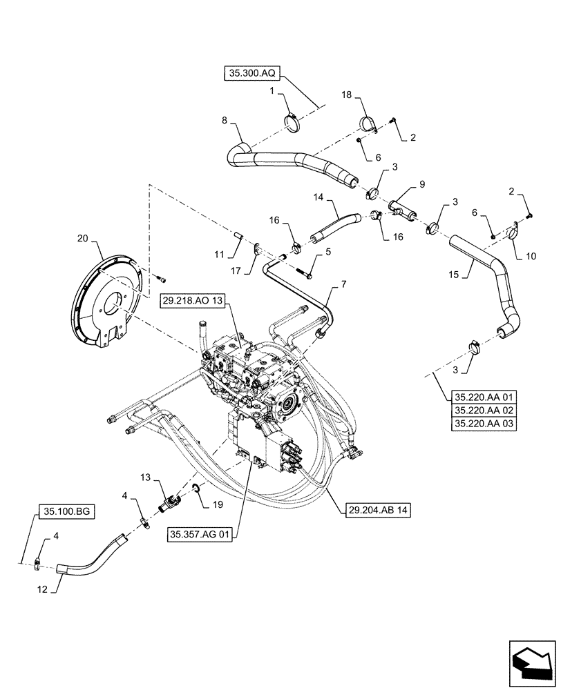
Запчасти Case IH TV380 (29.204.AB[04]) - HYDROSTATIC PUMP, SUPPLY LINES, E-H CONTROLS (29) - HYDROSTATIC DRIVE

Схема запчастей Case IH TV380 - (29.204.AB[04]) - HYDROSTATIC PUMP, SUPPLY LINES, E-H CONTROLS (29) - HYDROSTATIC DRIVE
12
35.220.aa 01
5
3
35.220.aa 02
16
29.218.ao 13
2
6
35.300.aq
1
11
13
29.204.ab 14
6
3
18
10
2
35.100.bg
16
4
17
35.220.aa 03
3
4
8
35.357.ag 01
9
19
20
15
7
14
FIT
1:1
100%

Артикул

Название

Примечание

Количество

1

45014

HOSE CLAMP,2.06” - 3” , Worm Gear

1шт.

2

308761

CARRIAGE BOLT,M8 x 1.25 x 25mm, Cl 8.8

2шт.

3

513309

HOSE CLAMP,1-1/16” - 2”, Worm Gear

3шт.

4

514920

HOSE CLAMP,20.6mm - 38.1mm, Worm Gear

2шт.

5

9804265

FLANGE BOLT,Hex, M10 x 60mm, Cl 8.8

2шт.

6

9804277

FLANGE NUT,Hex, M8 x 1.25, Cl 8

2шт.

7

47645596

19.05mm OD, Tandem Supply

TUBE

1шт.

8

47648672

Gear Pump Suction

HOSE,63.5mm ID x 714mm L

1шт.

9

47788716

TEE,3/4" Hose Barb x 1-1/2" Hose Barb x 1-1/2" Hose Barb

Hose, Fitting

1шт.

10

84265306

CLAMP,47.6mm, Coat, 8.7mm Bolt Hole, P Type

1шт.

11

84265307

TUBE SPACER,10.3mm ID x 15.9mm OD x 36.5mm L

1шт.

12

84280437

FLEXIBLE HOSE,25.4mm ID x 425mm L, SAE 100R4

Charge Supply

1шт.

13

84344925

45 ELBOW,1-5/16" - 12 ORB x 1-1/16" - 12 JIC x -16 Hose Barb

Incl 19

1шт.

14

84344942

HOSE,19.05mm OD x 280mm L

Tandem Supply

1шт.

15

84349296

HOSE,38.1mm ID

Gear Pump Suction

1шт.

16

86625021

HOSE CLAMP,17.5mm - 31.7mm, Worm Gear

2шт.

17

86637999

CLAMP,19mm, Coat, 11.9mm Bolt Hole, P Type

1шт.

18

87573379

CLAMP,57.1mm, Coat, 13.5mm Bolt Hole, P Type

1шт.

19

167268

O-RING,0.116" Thk x 1.171" ID, -916, Cl 6, 90 Duro

1шт.

20

47659227

COVER

Flywheel, W/O EHF

1шт.

20

47659211

Flywheel, W/ EHF

COVER

1шт.

Выбрано товаров: 21