Запчасти Case IH TV380 (29.204.AB[02]) - HYDROSTATIC PUMP, SUPPLY LINES, MECHANICAL CONTROLS (29) - HYDROSTATIC DRIVE

Схема запчастей Case IH TV380 - (29.204.AB[02]) - HYDROSTATIC PUMP, SUPPLY LINES, MECHANICAL CONTROLS (29) - HYDROSTATIC DRIVE
35.100.ab
11
15
3
6
8
12
16
1
13
10
5
4
7
14
17
9
2
35.220.aa 02
35.100.bg
35.220.aa 01
29.218.ao 01
FIT
1:1
100%

Артикул

Название

Примечание

Количество

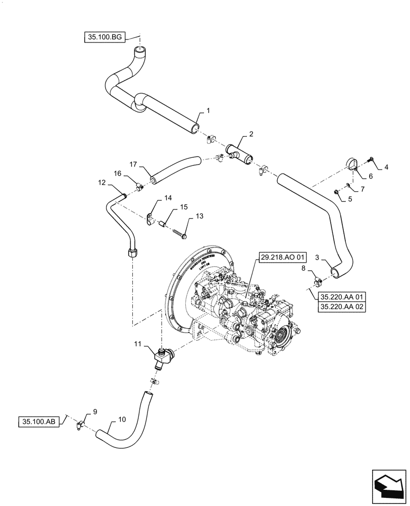
1

47612620

HOSE,38.1mm ID

Gear Pump Suction

1шт.

2

47788716

TEE,3/4" Hose Barb x 1-1/2" Hose Barb x 1-1/2" Hose Barb

1шт.

3

84349297

HOSE,38mm ID x 684mm L

Gear Pump Suction

1шт.

4

308761

CARRIAGE BOLT,M8 x 1.25 x 25mm, Cl 8.8

2шт.

5

9804277

FLANGE NUT,Hex, M8 x 1.25, Cl 8

3шт.

6

84265306

CLAMP,47.6mm, Coat, 8.7mm Bolt Hole, P Type

2шт.

7

87655042

SPECIAL WASHER,8.8mm ID x 17.5mm OD x 2.2mm Thk

2шт.

8

513309

HOSE CLAMP,1-1/16” - 2”, Worm Gear

4шт.

9

514920

HOSE CLAMP,20.6mm - 38.1mm, Worm Gear

2шт.

10

84280437

FLEXIBLE HOSE,25.4mm ID x 425mm L, SAE 100R4

Charge Supply

1шт.

11

84420269

FITTING,1-5/8" - 12 ORB x 1-1/16" - 12 JIC x -16 Hose Barb

1шт.

12

84420270

HYD TUBE,19.05mm OD

Tandem Hydrostat Supply

1шт.

13

9804265

FLANGE BOLT,Hex, M10 x 60mm, Cl 8.8

1шт.

14

86637999

CLAMP,19mm, Coat, 11.9mm Bolt Hole, P Type

1шт.

15

87022737

SPACER,11.1mm ID x 15.9mm OD x 25mm L

1шт.

16

86625021

HOSE CLAMP,17.5mm - 31.7mm, Worm Gear

2шт.

17

84344942

HOSE,19.05mm OD x 280mm L

Tandem Hydrostat Supply

1шт.

Выбрано товаров: 17