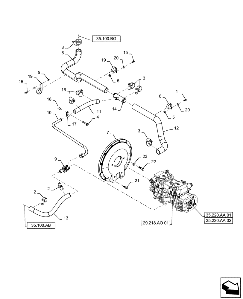
Запчасти Case IH TV380 (29.204.AB[04]) - EH PUMP EH, SUPPLY LINES (19-NOV-2015 & PRIOR) (29) - HYDROSTATIC DRIVE

Схема запчастей Case IH TV380 - (29.204.AB[04]) - EH PUMP EH, SUPPLY LINES (19-NOV-2015 & PRIOR) (29) - HYDROSTATIC DRIVE
3
1
35.100.bg
6
12
5
18
29.218.ao 01
22
15
2
7
23
19
15
13
10
20
35.220.aa 02
5
14
2
3
9
3
11
20
4
16
35.100.ab
35.220.aa 01
19
5
8
17
21
FIT
1:1
100%

Артикул

Название

Примечание

Количество

1

308761

CARRIAGE BOLT,M8 x 1.25 x 25mm, Cl 8.8

2шт.

2

507586

HOSE CLAMP,20.6mm - 44.4mm, Worm Gear

2шт.

3

513309

HOSE CLAMP,1-1/16” - 2”, Worm Gear

4шт.

4

9804265

FLANGE BOLT,Hex, M10 x 60mm, Cl 8.8

3шт.

5

9804277

FLANGE NUT,Hex, M8 x 1.25, Cl 8

4шт.

6

47612620

HOSE,38.1mm ID

Gear Pump Suction

1шт.

7

47659227

COVER

Flywheel

1шт.

8

84265306

CLAMP,47.6mm, Coat, 8.7mm Bolt Hole, P Type

2шт.

9

84344925

45 ELBOW,1-5/16" - 12 ORB x 1-1/16" - 12 JIC x -16 Hose Barb

1шт.

10

84344928

Tandem Supply

RIGID TUBE,19.05mm OD

1шт.

11

84344942

HOSE,19.05mm OD x 280mm L

Tandem Supply

1шт.

12

84349296

HOSE,38.1mm ID

Gear Pump Suction

1шт.

13

84349307

HOSE,25.4mm ID x 530mm L, SAE 100R4

Charge Supply

1шт.

14

84511713

TEE,-24 Bead x -24 Bead x -12 Bead

1шт.

15

86511841

BOLT,Flng, M8 x 1.25 x 16mm, Full Thd, Cl 8.8

1шт.

16

86625021

HOSE CLAMP,17.5mm - 31.7mm, Worm Gear

2шт.

17

86637999

CLAMP,19mm, Coat, 11.9mm Bolt Hole, P Type

1шт.

18

87022737

SPACER,11.1mm ID x 15.9mm OD x 25mm L

1шт.

19

87313360

CLIP,50.8mm, Coat, 8.7mm Bolt Hole, J Type

1шт.

20

87655042

SPECIAL WASHER,8.8mm ID x 17.5mm OD x 2.2mm Thk

4шт.

21

300442

HEX SOC SCREW,M10 x 30mm, Cl 8.8

9шт.

22

9790095

BOLT,1/2" - 13 x 1-3/4", Gr 8

2шт.

23

65319

WASHER,13.1mm ID x 25.4mm OD x 3.68mm Thk

2шт.

Выбрано товаров: 23