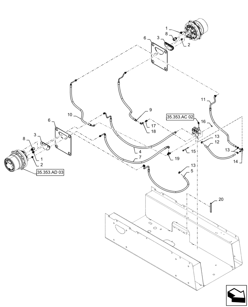
Запчасти Case IH TV380 (29.212.01) - TRAVEL SPEED, 2 SPEED (02-OCT-2016 & PRIOR) (29) - HYDROSTATIC DRIVE

Схема запчастей Case IH TV380 - (29.212.01) - TRAVEL SPEED, 2 SPEED (02-OCT-2016 & PRIOR) (29) - HYDROSTATIC DRIVE
19
1
3
13
2
3
13
6
2
11
6
14
7
17
8
8
13
1
18
9
35.353.ac 02
10
5
16
12
4
15
35.353.ad 03
20
FIT
1:1
100%

Артикул

Название

Примечание

Количество

1

84277065

ADAPTER,3/4" - 16 ORB x -8 Fem Quick Lock

2шт.

2

84277064

ADAPTER,9/16" - 18 ORB x -6 Fem Quick Lock

4шт.

3

84331670

Chassis, Years: -05-JAN-16

GROMMET

2шт.

3

47893401

GROMMET

Chassis, Start Year: 06-JAN-16

2шт.

4

84280449

Brake RH

RIGID TUBE

1шт.

5

84280444

Case Drain RH

RIGID TUBE

1шт.

6

84331874

Grommet

PLATE

2шт.

7

84280452

Two Speed RH

FLEXIBLE HOSE,9.53mm ID x 1245mm L, SAE 100R1

1шт.

8

84277066

Female, HP Quick Lok, Years: -05-JAN-16

ADAPTER,- 12 Fem Quick Lock HP x 1-1/16" - 12, - A3512 ORB

4шт.

8

87303844

HYD CONNECTOR,1-7/16" - 12 ORFS x 1-1/16" - 12 ORB

, Start Year: 06-JAN-16

4шт.

9

84280448

Brake LH

RIGID TUBE

1шт.

10

84280451

Two Speed LH

FLEXIBLE HOSE,9.53mm ID x 1045mm L, SAE 100R1

1шт.

11

84280443

Case Drain LH

HYD TUBE

1шт.

12

84257173

Brake Drain

HOSE,12.7mm ID x 570mm L

1шт.

13

87443510

HOSE CLAMP,18.4mm Static ID x 15mm W

4шт.

14

84187294

ADAPTER,12.7mm OD Hose Bead x 12.7mm Hose Bead x 9/16" - 18 ORB

1шт.

15

86511844

BOLT,M8 x 1.25 x 100mm, 22mm Thd, Cl 8.8

2шт.

16

229197A1

SQUARE NUT,M8 x 1.25, Cl 8

2шт.

17

76350

HYD CONNECTOR,9/16" - 18 ORB x 9/16" - 18 JIC

1шт.

18

86629586

90 ELBOW,9/16" - 18 JIC x 9/16" - 18 Fem Sw

1шт.

19

86513020

TEE,9/16" - 18 ORB x 9/16" - 18 JIC x 9/16" - 18 JIC

1шт.

20

84353803

TRIM,30.48m Bulk

480mm

1шт.

Выбрано товаров: 0