Запчасти Case IH 586H (27.550.AM[01]) - STEERING AXLE, SWIVEL CONNECTION - 2WD (27) - REAR AXLE SYSTEM

Схема запчастей Case IH 586H - (27.550.AM[01]) - STEERING AXLE, SWIVEL CONNECTION - 2WD (27) - REAR AXLE SYSTEM
3
8
13
4
5
11
27.550.aj 02
11
16
12
6
10
7
14
18
5
1
9
4
6
2
15
2
3
17
FIT
1:1
100%

Артикул

Название

Примечание

Количество

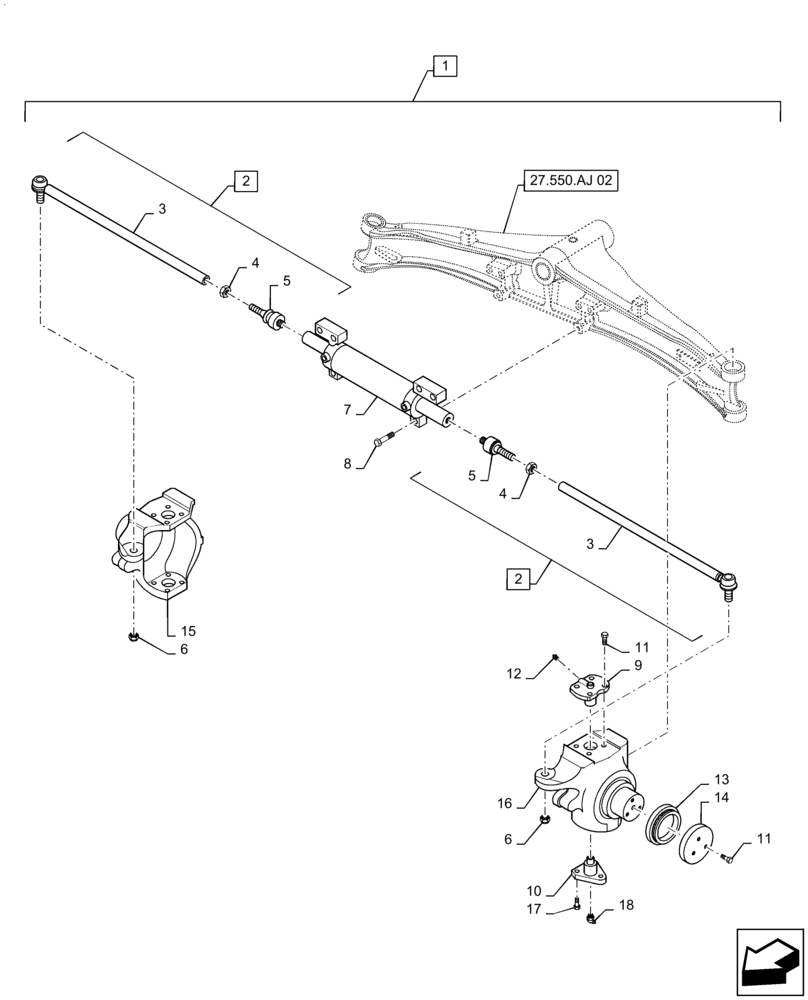
1

86990836

FRONT AXLE

Incl 2 - 18

1шт.

2

401052A1

STEERING ASSY

Incl 3 - 5

2шт.

3

401054A1

TIE-ROD,34mm OD x 260mm L

1шт.

4

934727R1

THIN NUT,Thin, M18 x 1.5, Cl 04

1шт.

5

112509A1

BALL JOINT

1шт.

6

905839R1

LOCK NUT,M18 x 1.5, Thin

2шт.

7

401055A1

STEERING CYLINDER

2WD

1шт.

8

863-16070

HEX SOC SCREW,M16 x 70mm, Cl 12.9

6шт.

9

122265A1

PIN,35mm / 45mm OD x 45.5mm L

King, Upper

2шт.

10

122259A1

PIVOT,120mm OD, 15mm ID, 5mm L

King Pin, Lower; Triangular Shape

2шт.

11

100533A1

BOLT,Self-Lock, M12 x 30mm

14шт.

12

712998R91

LUBE NIPPLE,M6 x 1, 16mm lg

2шт.

13

401059A1

THRUST BEARING

2шт.

14

401060A1

THRUST WASHER

2шт.

15

429231A1

STEERING KNUCKLE,RH

Swivel, Left - Hand

1шт.

16

429232A1

STEERING KNUCKLE,LH

Swivel, Right - Hand

1шт.

17

D150214

BOLT,Lock, Hex, M14 x 2 x 35mm, Cl 10.9

Lower King Pin

6шт.

18

N13505

LUBE NIPPLE,45 Degree, M6 x 1

Lower King Pin

2шт.

Выбрано товаров: 0