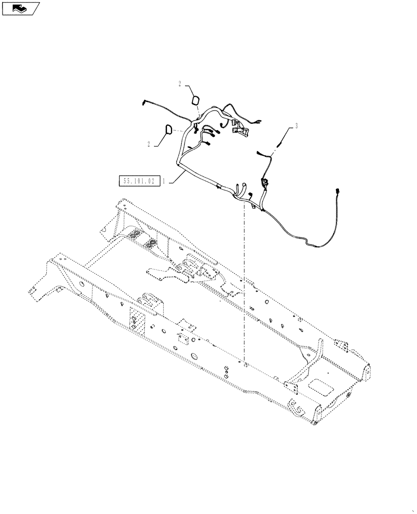
Запчасти Case IH 586H (39.100.02) - CHASSIS MAIN WIRE HARNESS INSTALLATION (39) - FRAMES AND BALLASTING

Схема запчастей Case IH 586H - (39.100.02) - CHASSIS MAIN WIRE HARNESS INSTALLATION (39) - FRAMES AND BALLASTING
3
55.101.02
home
2
2
1
FIT
1:1
100%

Артикул

Название

Примечание

Количество

1

84543640

Main Chassis, See Fig 55.101.02, Years: -01-JUN-13

WIRE HARNESS

1шт.

1

47489894

Main Chassis, See Fig 55.101.06, Start Year: 01-JUN-13

WIRE HARNESS

1шт.

2

L18331

CABLE TIE,375.9mm L, Nylon, Black

Nylon 15 Inch

2шт.

3

L11541

CABLE TIE,203.2mm L, Nylon

7 - 8 Inch Nylon Black

1шт.

Выбрано товаров: 0