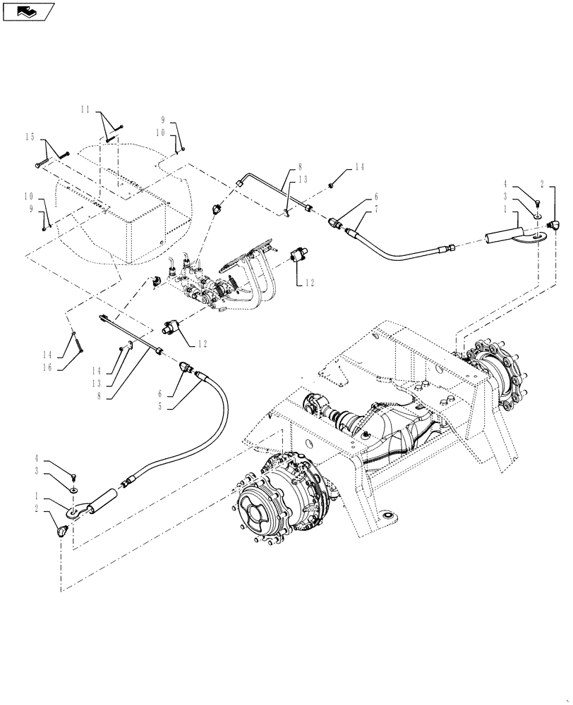
Запчасти Case IH 586H (33.202.02) - BRAKES, HYDRAULIC LINE INSTALLATION (33) - BRAKES & CONTROLS

Схема запчастей Case IH 586H - (33.202.02) - BRAKES, HYDRAULIC LINE INSTALLATION (33) - BRAKES & CONTROLS
10
3
6
4
4
home
7
14
10
12
12
14
1
15
16
5
11
14
1
9
8
13
8
2
13
6
9
3
2
FIT
1:1
100%

Артикул

Название

Примечание

Количество

1

87699881

GUARD

Brake Hose

2шт.

2

9840543

90 ELBOW,90 Degree, 11/16"-16 x 9/16"-18 Adj, ORFS

2шт.

3

87687101

WASHER,10.65mm ID x 31mm OD x 3.3mm Thk

2шт.

4

43138

BOLT,Hex, M10 x 1.5 x 20mm, Cl 8.8

2шт.

5

84258167

Brake Line, Right Hand

HOSE ASSY.,10mm ID x 915mm L

1шт.

6

87632882

TEE,11/16"-16 ORFS x 1/8"-27 NTPF

Brake Pressure Switch

2шт.

7

84258169

Brake Line, Left Hand

HOSE ASSY.,10mm ID x 715mm L

1шт.

8

84348657

Brake Output

TUBE

2шт.

9

832-10404

NUT,M4 x 0.7, Cl 8.8

4шт.

10

895-11004

WASHER,4.3mm ID x 9mm OD x 0.8mm Thk

4шт.

11

87016468

HEX SOC SCREW,M4 x 25mm, Cl 8.8

4шт.

12

82026949

PUSH BUTTON SWITCH

Brake

2шт.

13

515-2379

CLAMP,5/16", Insul, 3/8" Bolt

2шт.

14

829-1408

NUT,Hex, M8 x 1.25, Cl 10.9

1шт.

15

614-8045

BOLT,Hex, M8 x 1.25 x 45mm, Cl 8.8, Full Thd

2шт.

16

614-8050

BOLT,Hex, M8 x 1.25 x 50mm, Cl 8.8, Full Thd

2шт.

Выбрано товаров: 0