Запчасти Case IH 588H (25.102.03) - FRONT DRIVE DIFFERENTIAL (25) - FRONT AXLE SYSTEM

Схема запчастей Case IH 588H - (25.102.03) - FRONT DRIVE DIFFERENTIAL (25) - FRONT AXLE SYSTEM
1
12
8
1
4
18
1
14
1
2
11
10
1
1
9
14
5
1
13
7
5
17
home
11
12
1
13
16
15
3
11
6
10
12
13
6
13
FIT
1:1
100%

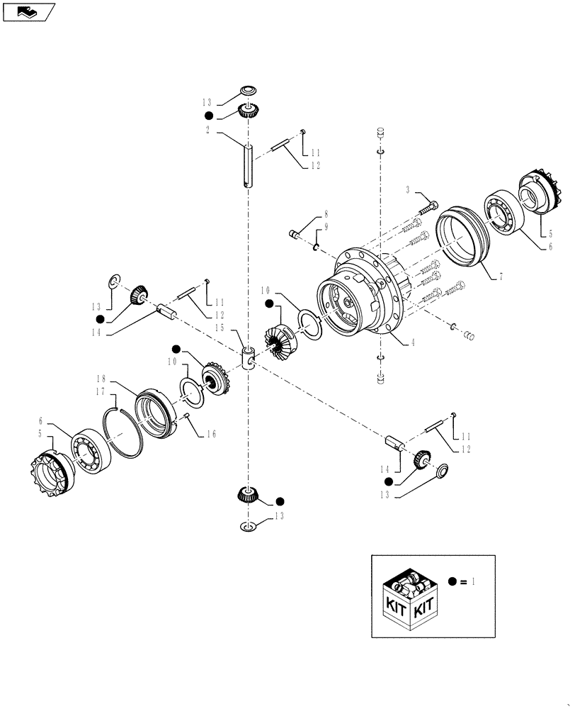
Артикул

Название

Примечание

Количество

1

87708394

SERVICE KIT

Rear Axle

1шт.

2

87708399

AXLE PIN

Rear

1шт.

3

87708402

BOLT

M12 X 25

12шт.

4

87708403

HOUSING

Rear Axle

1шт.

5

87708400

RING NUT

M104 X 1.5

2шт.

6

E135785

BEARING

Rear Axle

2шт.

7

87708401

SLEEVE

Rear Axle

1шт.

8

292207A1

PIN

Differential

4шт.

9

292208A1

O-RING

Lock Pin

4шт.

10

87708395

DRIVE PLATE

Rear Axle

2шт.

11

D142898

PLUG,M10 x 1

M10 X 1

3шт.

12

87708396

PIN,8mm OD x 45mm L

8 X 45

3шт.

13

E135777

WASHER

Thrust

4шт.

14

87708397

AXLE PIN

Differential

2шт.

15

87708398

SPIDER

Spider

1шт.

16

87708411

PIN,8mm OD x 12mm L

Roller

1шт.

17

87708409

CIRCLIP

Rear Axle

1шт.

18

87708408

HOUSING

Housing

1шт.

Выбрано товаров: 18