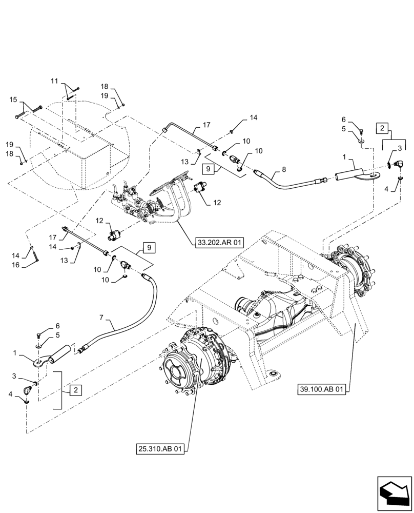
Запчасти Case IH 588H (33.202.BO[01]) - BRAKE LINE (33) - BRAKES & CONTROLS

Схема запчастей Case IH 588H - (33.202.BO[01]) - BRAKE LINE (33) - BRAKES & CONTROLS
12
19
13
25.310.ab 01
1
14
10
14
14
17
2
5
15
10
6
6
9
17
8
3
18
2
10
18
7
10
3
4
19
11
4
12
39.100.ab 01
33.202.ar 01
5
1
9
13
16
FIT
1:1
100%

Артикул

Название

Примечание

Количество

1

87699881

GUARD

Brake Hose

2шт.

2

9840543

90 ELBOW,90 Degree, 11/16"-16 x 9/16"-18 Adj, ORFS

Incl 3 - 4

2шт.

3

9993141

O-RING,0.07" Thk x 0.364" ID, -12, Cl 6, 90 Duro

Incl in 2

2шт.

4

9617873

O-RING,0.078" Thk x 0.468" ID, -906, Cl 6, 90 Duro

Incl in 2

2шт.

5

87687101

WASHER,10.65mm ID x 31mm OD x 3.3mm Thk

2шт.

6

43138

BOLT,Hex, M10 x 1.5 x 20mm, Cl 8.8

2шт.

7

84258167

Brake Line, Right Hand

HOSE ASSY.,10mm ID x 915mm L

1шт.

8

84258169

Brake Line, Left Hand

HOSE ASSY.,10mm ID x 715mm L

1шт.

9

87632882

TEE,11/16"-16 ORFS x 1/8"-27 NTPF

Brake Pressure Switch, Incl 10

2шт.

10

9993141

O-RING,0.07" Thk x 0.364" ID, -12, Cl 6, 90 Duro

Incl in 9

4шт.

11

87016468

HEX SOC SCREW,M4 x 25mm, Cl 8.8

4шт.

12

82026949

PUSH BUTTON SWITCH

Brake

2шт.

13

515-2379

CLAMP,5/16", Insul, 3/8" Bolt

2шт.

14

829-1408

NUT,Hex, M8 x 1.25, Cl 10.9

1шт.

15

614-8030

BOLT,Hex, M8 x 1.25 x 30mm, Cl 8.8, Full Thd

2шт.

16

614-8050

BOLT,Hex, M8 x 1.25 x 50mm, Cl 8.8, Full Thd

2шт.

17

84348657

Brake Output

TUBE

2шт.

18

832-10404

NUT,M4 x 0.7, Cl 8.8

4шт.

19

895-11004

WASHER,4.3mm ID x 9mm OD x 0.8mm Thk

4шт.

Выбрано товаров: 19