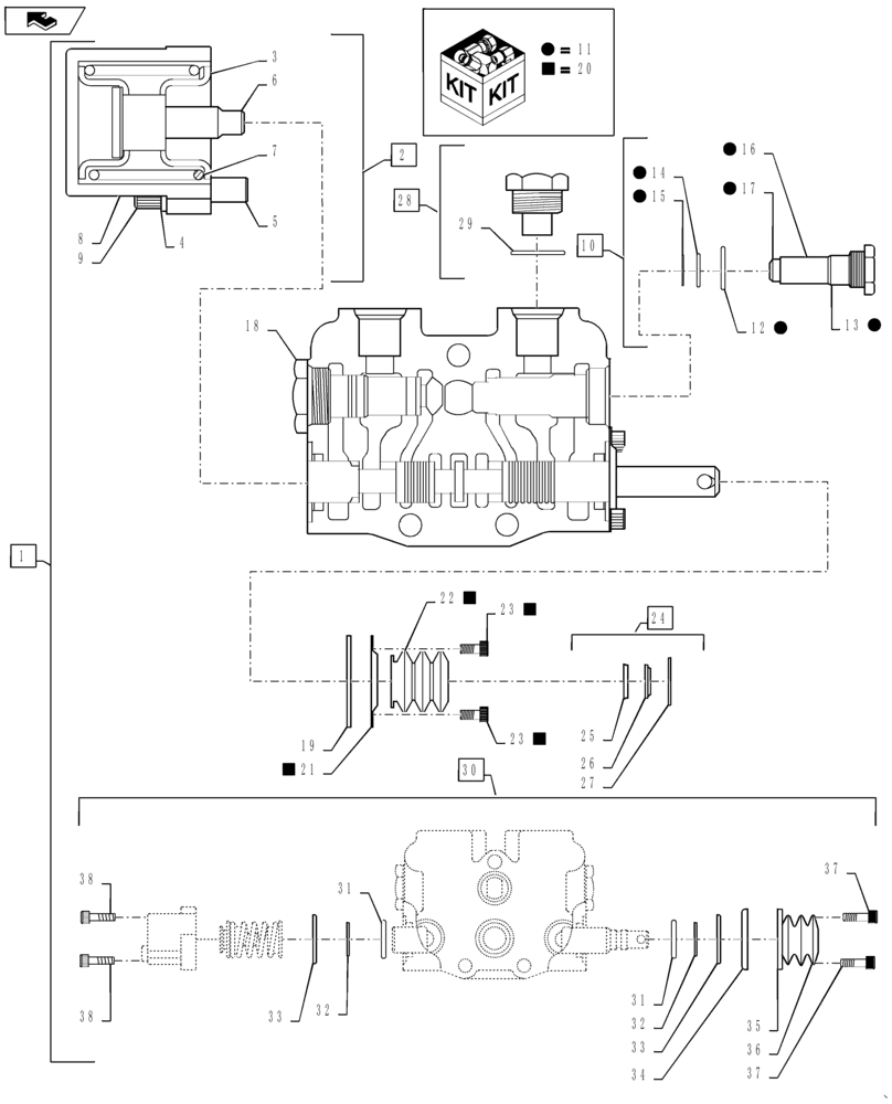
Запчасти Case IH 588H (35.355.AH[05]) - VALVE SECTION (35) - HYDRAULIC SYSTEMS

Схема запчастей Case IH 588H - (35.355.AH[05]) - VALVE SECTION (35) - HYDRAULIC SYSTEMS
11
36
23
11
37
20
20
home
12
13
37
7
14
9
31
33
21
24
5
38
11
10
20
20
33
32
11
8
16
3
29
31
20
1
6
34
17
2
27
28
23
15
32
20
22
19
35
11
18
4
26
11
25
38
11
11
30
FIT
1:1
100%

Артикул

Название

Примечание

Количество

1

360520A1

HYD VALVE SECTION

Lift, Incl 2 - 38

1шт.

2

S300253

SET OF PARTS

Spool Positioner, Incl 3 - 9

1шт.

3

H267591

SPRING SEAT

Collar

2шт.

4

492-11025

LOCK WASHER,1/4"

2шт.

5

61-32528

HEX SOC SCREW,1/4"-20 x 1 3/4"

1шт.

6

N14593

STEP BOLT

Collar Spool

1шт.

7

D87306

SPRING

Compression

1шт.

8

S300258

CAP

Cover

1шт.

9

193-558

SCREW,SEMS, Slot Fil Hd, 1/4"-20 x 7/8"

2шт.

10

348732A1

PLUG

3-Way Conversion, Incl 11 - 16

1шт.

11

N8883

SEAL KIT

Seal, Incl 12 - 17

1шт.

12

237-6010

O-RING,0.097" Thk x 0.755" ID, -910, Cl 6, 90 Duro

1шт.

13

L35297

RING,16.18mm ID x 19.07mm OD x 1.42mm Thk

Back Up

1шт.

14

238-6016

O-RING,0.07" Thk x 0.614" ID, -16, Cl 6, 90 Duro

1шт.

15

238-5015

O-RING,0.07" Thk x 0.551" ID, -15, Cl 5, 75 Duro

1шт.

16

D88725

BACK-UP RING

2шт.

17

NSS

NOT SOLD SEPARAT

Plug, Inner Incl in 10

1шт.

18

L100937

PLUG

Load Check

1шт.

19

N8194

LARGE PLATE

Seal

1шт.

20

348741A1

KIT

Boot, Incl 21 - 23

1шт.

21

NSS

NOT SOLD SEPARAT

Retainer Incl in 20

1шт.

22

NSS

NOT SOLD SEPARAT

Boot Must Incl in 20

1шт.

23

61-3258

HEX SOC SCREW,1/4"-20 x 1/2"

2шт.

24

348738A1

SPOOL

Lip Seal, Spool, Incl 25 - 27

2шт.

25

NSS

NOT SOLD SEPARAT

Seal, Lip Seal Incl in 24

2шт.

26

NSS

NOT SOLD SEPARAT

Wiper Incl in 24

2шт.

27

NSS

NOT SOLD SEPARAT

Retainer, Seal Incl in 24

2шт.

28

86512512

PLUG,7/8" - 14 ORB

Incl in 29

1шт.

29

237-6010

O-RING,0.097" Thk x 0.755" ID, -910, Cl 6, 90 Duro

1шт.

30

352796A1

PACKAGE

O-Ring, Spool, Retrofit, Incl in 31 - 38

1шт.

31

D88728

O-RING,19.05mm ID x 25.4mm OD x 3.18mm Thk

Seal

2шт.

32

D88729

WASHER,0.76" ID x 1" OD x 0.05" Thk

Flat

2шт.

33

D88730

WASHER,0.77" ID x 1.43" OD

Retainer Seal

2шт.

34

N8194

LARGE PLATE

Seal Retainer

1шт.

35

357163A1

RETAINER

Dust Boot

1шт.

36

357164A1

BOOT

Dust

1шт.

37

61-3258

HEX SOC SCREW,1/4"-20 x 1/2"

2шт.

38

102201A1

HEX SOC SCREW,1/4" - 20 x 7/8", W/ Nylon Patch

2шт.

Выбрано товаров: 0