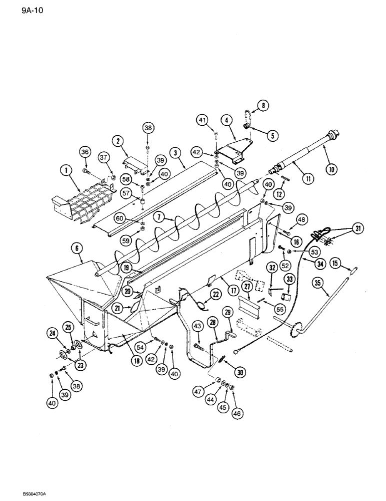
Запчасти Case IH 1250 (9A-010) - AUGER FEEDER MECHANICAL, 1250 MACHINES, P.I.N. 7001 AND AFTER (09) - CHASSIS ATTACHMENTS

Схема запчастей Case IH 1250 - (9A-010) - AUGER FEEDER MECHANICAL, 1250 MACHINES, P.I.N. 7001 AND AFTER (09) - CHASSIS ATTACHMENTS
FIT
1:1
100%

Артикул

Название

Примечание

Количество

1

1281116C1

GRATE

- feeder

1шт.

2

1281143C1

CHANNEL

- grate

1шт.

3

1281199C1

SHIELD

- upper

1шт.

4

1281205C1

BRACKET

- auger shield with eyelet

1шт.

5

480475R1

GROMMET

GUIDE - rope

1шт.

1344948C1

KIT

- rope guide

1шт.

6

1281119C1

HOPPER

- stationary

1шт.

7

1281200C1

AUGER

1шт.

8

620629R1

BOLT,U, 5/16" x 1 7/16"

- U, 5/16 inch

1шт.

10

145833C1

SHAFT

YOKE AND TUBE - PTO

1шт.

11

145832C91

DRIVE SHAFT - auger feed mechanism

1шт.

12

38-32028

PIN,7.92mm OD x 44.45mm L

- roll, 5/16 x 1-5/8 inch

1шт.

15

145839C1

HANDLE

GRIP - handle

1шт.

16

475659R1

SPOUT, DISCHARGE

DOWN SPOUT - auger housing

1шт.

17

1281115C1

HOUSING

- auger feed

1шт.

18

1281118C1

HOPPER

- folding

1шт.

19

1281266C1

ANGLE

- feeder, left hand

1шт.

20

1281216C1

ANGLE

- feeder, right hand

1шт.

21

76004C1

SEALING STRIP

SEAL - rubber

1шт.

22

NSS

NOT SOLD SEPARAT

ROPE - plastic, 3/16 x 97 inch

1шт.

23

462360R1

FLANGED BEARING

- auger bearing

2шт.

24

455102R21

COLLAR

- locking, with setscrew

1шт.

25

475698R91

BALL BEARING,1" ID x 2.0472" OD x 0.844"

- ball

1шт.

27

145835C1

BRACKET

ASSEMBLY - extension

1шт.

28

1281117C1

HANDLE

- clutch

1шт.

29

488448R1

GRIP

- clutch handle

2шт.

30

64669C1

SPRING

- extension

1шт.

31

480472R1

CLIP

CLAMP - cable

2шт.

32

145837C1

STOP

ASSEMBLY

1шт.

33

145836C1

HOLDER

- stop

1шт.

34

1281206C1

CABLE

- 1/8 inch, wire

1шт.

35

145838C1

LEVER

AND RATCHET - assembly

1шт.

36

413-612

BOLT,Hex, 3/8" - 16 x 3/4", Gr 5

2шт.

37

482256R1

BEARING LOCK NUT,Flg, USR, 3/8"-16

- hex lock, 3/8 inch NC

2шт.

38

413-516

BOLT,Hex, 5/16" - 18 x 1", Gr 5

- hex, 5/16 x 1 inch

7шт.

39

492-11031

LOCK WASHER,5/16"

WASHER, LOCK, 5/16"

15шт.

40

425-105

NUT,5/16"-18, G5

- hex, 5/16 inch NC

15шт.

41

413-512

BOLT,Hex, 5/16" - 18 x 3/4", Gr 5

- hex, 5/16 NC x 3/4 inch

4шт.

42

495-11034

WASHER,5/16", SAE

5/16" SAE (flat, 11/32 x 11/16 x 1/16")

6шт.

43

434-616

CARRIAGE BOLT,Sht Sq Nk, 3/8" - 16 x 1", Gr 5

BOLT - round head square neck , 3/8 NC x 1 inch

2шт.

44

495-11041

WASHER,0.406" ID x 0.812" OD x 0.065" W

(Flat, 13/32 x 13/16 x 1/16") 3/8", SAE

2шт.

45

492-11038

LOCK WASHER,3/8"

2шт.

46

425-106

NUT,3/8"-16, Cl 5

2шт.

47

542716R1

SPACER

- 3/8 x 9/32 inch (Replaces 492057R1)

2шт.

48

135270

SERRATED SCREW,5/16" - 18 x 3/4"

BOLT - hex, 5/16 NC x 3/4 inch

2шт.

52

434-510

CARRIAGE BOLT,Sht Sq Nk, 5/16" - 18 x 5/8", Gr 5

BOLT - round head square neck, 5/16 NC x 5/8 inch

2шт.

53

9413994

LOCK NUT,5/16"-18, GC

NUT- lock, 5/16 inch (Grade 8)

2шт.

54

434-520

CARRIAGE BOLT,Sht Sq Nk, 5/16" - 18 x 1 1/4", Gr 5

BOLT - round head square neck, 5/16 NC x 1-1/4 inch

2шт.

55

38-31620

PIN,6.35mm OD x 31.75mm L

2шт.

56

75973C1

CHAIN (AG)

CHAIN

1шт.

57

1281294C1

BUMPER

- rubber

2шт.

58

442-11012

SCREW,Cross Oval Hd, #10-24 x 3/4"

- machine, oval head Phillips, No. 10 NC x 3/4 inch

2шт.

59

829-1410

NUT,M10 x 1.5, Cl 10.9

2шт.

60

895-11010

WASHER,11mm ID x 20mm OD x 2mm Thk

- flat, 11 x 21 x 2 mm

2шт.

Выбрано товаров: 54