Запчасти Case IH 1250 (9A-014) - AUGER FEEDER HYDRAULIC, 1250 MACHINES, P.I.N. 7001 AND AFTER (09) - CHASSIS ATTACHMENTS

Схема запчастей Case IH 1250 - (9A-014) - AUGER FEEDER HYDRAULIC, 1250 MACHINES, P.I.N. 7001 AND AFTER (09) - CHASSIS ATTACHMENTS
FIT
1:1
100%

Артикул

Название

Примечание

Количество

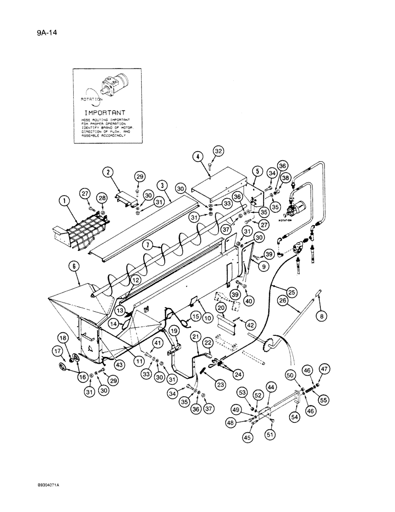
1

1281116C1

GRATE

- feeder

1шт.

2

1281143C1

CHANNEL

- grate

1шт.

3

1281267C1

COVER

SHIELD - upper

1шт.

4

1261835C1

SUPPORT - auger top

1шт.

5

1265837C1

PLATE

- mounting, hydraulic motor

1шт.

6

1281119C1

HOPPER

- stationary

1шт.

7

1281217C1

AUGER

1шт.

8

145839C1

HANDLE

GRIP - handle

1шт.

9

475659R1

SPOUT, DISCHARGE

SPOUT - auger housing

1шт.

10

1281115C1

HOUSING

- auger feed

1шт.

11

1281118C1

HOPPER

- folding

1шт.

12

1281266C1

ANGLE

- feeder, left

1шт.

13

1281216C1

ANGLE

- feeder, right

1шт.

14

76004C1

SEALING STRIP

SEAL - rubber

1шт.

15

NSS

NOT SOLD SEPARAT

ROPE - plastic, 3/16 x 97 inch

1шт.

16

462360R1

FLANGED BEARING

- auger bearing

2шт.

17

455102R21

COLLAR

- locking, bearing, with set screw

1шт.

18

475698R91

BALL BEARING,1" ID x 2.0472" OD x 0.844"

- ball

1шт.

19

145779C1

BRACKET

- lever stop (If equipped)

1шт.

20

145835C1

BRACKET

ASSEMBLY - extension

1шт.

21

1281117C1

HANDLE

- clutch

1шт.

22

488448R1

GRIP

- clutch handle

2шт.

23

64669C1

SPRING

- extension

1шт.

24

480472R1

CLIP

CLAMP - cable

2шт.

25

79856C1

CABLE

- wire, 1/8 inch

1шт.

26

145838C1

LEVER

AND RATCHET - assembly

1шт.

Выбрано товаров: 26