Запчасти Case IH 1250 (9B-66) - SHIELDS AND FENDERS, 1250 MACHINES, P.I.N. 7001 AND AFTER (09) - CHASSIS ATTACHMENTS

Схема запчастей Case IH 1250 - (9B-66) - SHIELDS AND FENDERS, 1250 MACHINES, P.I.N. 7001 AND AFTER (09) - CHASSIS ATTACHMENTS
FIT
1:1
100%

Артикул

Название

Примечание

Количество

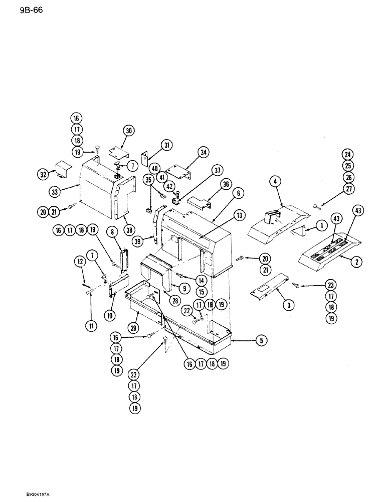
1

75912C1

SUPPORT

- right, fender

1шт.

2

1281150C1

FENDER

- left

1шт.

3

76548C1

SHIELD

- jackshaft

1шт.

4

1281133C1

FENDER

- right

1шт.

5

1281232C1

BASE

- support

1шт.

6

1995629C1

SHIELD

- main drive (Includes Ref 8, 13 and hardware)

1шт.

440-11012

SCREW,Cross Pan Hd, #10-24 x 3/4"

- pan head, No. 10 x 3/4 inch

8шт.

225-14110

NUT,#10-24

8шт.

7

1281201C1

HOOK

- rubber

1шт.

8

1281262C1

FILLER

- right, plate (See Note A)

1шт.

9

1281231C1

HINGE

- front section (If equipped)

1шт.

10

1281230C1

BASE

SHIELD - right, base (See Note A)

1шт.

11

141-14

PIN - 1/4 x 1-3/4 inch, clevis

1шт.

12

32-412

COTTER PIN,1/16" x 3/4"

Pin, Split (Cotter), 1/16" x 3/4"

1шт.

13

2753524R1

DECAL

- 540 rpm, PTO

1шт.

13

2753522R1

DECAL

- 1000 rpm, PTO

1шт.

13

1281298C1

DECAL

- caution

1шт.

14

413-512

BOLT,Hex, 5/16" - 18 x 3/4", Gr 5

- hex, 5/16 NC x 3/4 inch

1шт.

15

425-105

NUT,5/16"-18, G5

- hex, 5/16 inch NC

1шт.

16

434-512

CARRIAGE BOLT,Sht Sq Nk, 5/16" - 18 x 3/4", Gr 5

BOLT, CARRIAGE, Short NK, 5/16"-18 x 3/4", G5, Full Thd

1шт.

17

495-11034

WASHER,5/16", SAE

5/16" SAE (flat, 11/32 x 11/16 x 1/16")

1шт.

18

492-11031

LOCK WASHER,5/16"

WASHER, LOCK, 5/16"

1шт.

19

425-105

NUT,5/16"-18, G5

- hex, 5/16 inch NC

1шт.

20

413-616

BOLT,Hex, 3/8" - 16 x 1", Gr 5

- hex, 3/8 NC x 1 inch

1шт.

21

425-106

NUT,3/8"-16, Cl 5

1шт.

22

434-516

CARRIAGE BOLT,Sht Sq Nk, 5/16" - 18 x 1", Gr 5

BOLT - round head square neck, 5/16 NC x 1 inch

1шт.

23

413-516

BOLT,Hex, 5/16" - 18 x 1", Gr 5

- hex, 5/16 x 1 inch

1шт.

24

434-816

CARRIAGE BOLT,Sht Sq Nk, 1/2" - 13 x 1", Gr 5

BOLT - round head square neck, 1/2 NC x 1 inch

1шт.

25

80679

LOCK WASHER,1/20.507 CST ZND

WASHER, LOCK, 1/2"

1шт.

26

425-108

NUT,1/2" - 13, Gr 5

NUT, , Hex 1/2"-13, G5

1шт.

27

495-11053

WASHER,1/2", SAE

(17/32" x 1-1/16" x 5/64") 1/2", SAE

1шт.

28

495-11034

WASHER,5/16", SAE

5/16" SAE (flat, 11/32 x 11/16 x 1/16")

1шт.

29

1281124C1

BASE

- (See Note B)

1шт.

30

1281131C1

FILLER

- (See Note B)

1шт.

31

1281134C1

FILLER

- (See Note B)

1шт.

32

1281135C1

SHIELD

- (See Note B)

1шт.

33

1281139C1

SHIELD

- (See Note B)

1шт.

34

1281142C1

FILLER

- (See Note A)

1шт.

35

1281141C1

CLIP

- (See Note B)

1шт.

36

1281149C1

FILLER

- (See Note B)

1шт.

37

1281285C1

BRACKET

1шт.

38

1281177C1

END

- shield (See Note A)

1шт.

39

1281159C1

FILLER

- (See Note B)

1шт.

40

442-11012

SCREW,Cross Oval Hd, #10-24 x 3/4"

- machine, oval head Phillips, No. 10 NC x 3/4 inch

1шт.

41

895-11010

WASHER,11mm ID x 20mm OD x 2mm Thk

- flat, 11 x 21 x 2 mm

1шт.

42

225-14110

NUT,#10-24

1шт.

43

75911C1

TAPE

- anti-slip

2шт.

Выбрано товаров: 47