Запчасти Case IH 1260 (9B-030) - HAMMERMILL DUST COLLECTOR (12) - CHASSIS

Схема запчастей Case IH 1260 - (9B-030) - HAMMERMILL DUST COLLECTOR (12) - CHASSIS
5
6
16
22
23
3
14
25
4
17
10
21
13
9
18
28
24
26
12
27
15
18
27
7
6
12
5
13
20
11
18
27
1
27
19
FIT
1:1
100%

Артикул

Название

Примечание

Количество

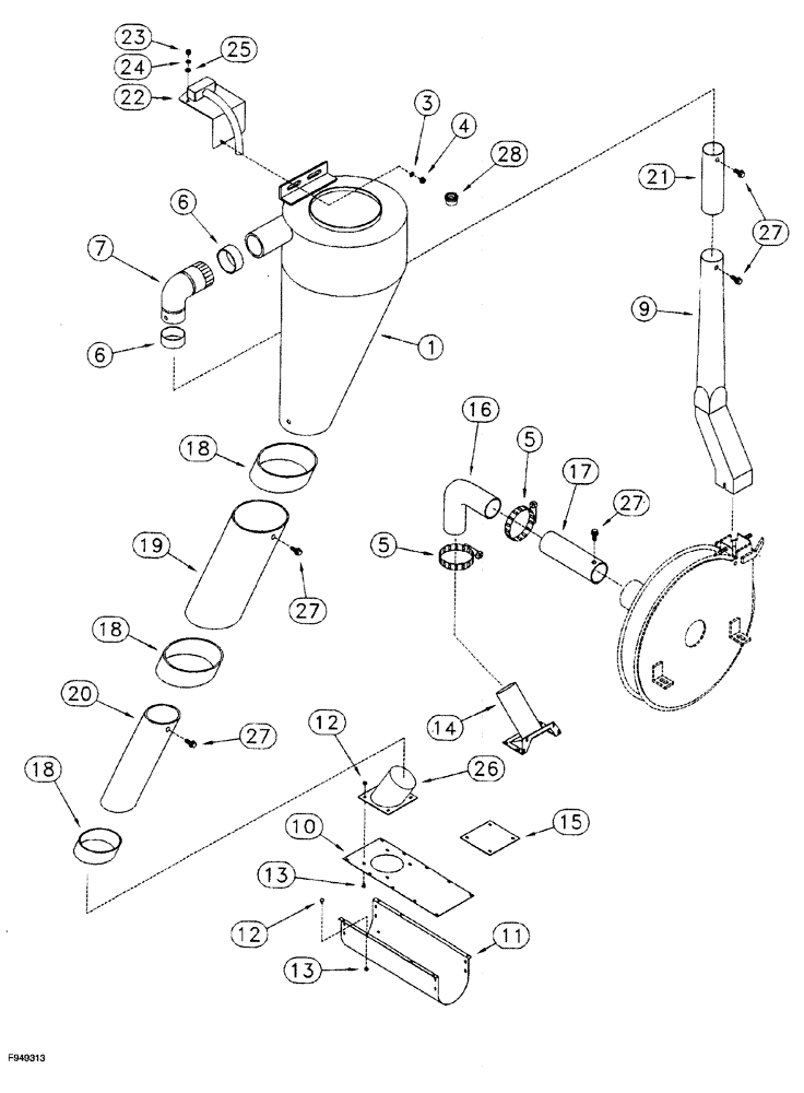
1

133880A1

SPECIAL RING

COLLECTOR dust

1шт.

3

495-11041

WASHER,0.406" ID x 0.812" OD x 0.065" W

Flat, (13/32 x 13/16 x 1/16")

2шт.

4

231-5146

FLANGE NUT,3/8"-16

2шт.

5

214-1472

HOSE CLAMP,#72, 4.06" - 5", Type F Worm

Adj.

2шт.

6

75945C1

BAND

rubber, 4 inch diameter

3шт.

7

102879A1

ELBOW

4 inch pipe

1шт.

9

133896A1

PIPE

dust collector

1шт.

10

138539A1

CAP

trough

1шт.

11

138537A1

TROUGH

lower, Serial Range: pan-tank

1шт.

12

477-73108

SERRATED SCREW,Sl Truss Hd, 5/16" - 18 x 1/2"

slotted truss head, 5/16 NC x 1/2 inch

14шт.

13

231-5145

SERRATED NUT,Flg, USR, 5/16"-18

14шт.

14

133882A1

ANGLE

dust collector

1шт.

15

138542A1

PLATE

cap

1шт.

16

1281229C1

ELBOW

suction pipe

1шт.

17

135724A1

TUBE

air

1шт.

18

1985980C1

BAND

rubber, 6 inch diameter

3шт.

19

135722A1

COUPLING

pipe

1шт.

20

135723A1

EXTENSION

PIPE

1шт.

21

135728A1

TUBE,13.6" Length

extension

1шт.

22

133879A1

BRACKET

cyclone

1шт.

23

425-106

NUT,3/8"-16, Cl 5

3шт.

24

492-11038

LOCK WASHER,3/8"

3шт.

25

495-11041

WASHER,0.406" ID x 0.812" OD x 0.065" W

Flat, (13/32 x 13/16 x 1/16")

3шт.

26

133881A1

COVER

dust collector

1шт.

27

276-1448

SELF-TAP SCREW,Hex Hd, #8-32 x 1/2"

self tapping, hex head, No. 8 NC x 1/2 inch

5шт.

28

187373

CAP,1 1/2" NPT

1-1/2 inch PT

1шт.

Выбрано товаров: 26