Запчасти Case IH 1350 (4-10) - CLUTCH ACTUATOR, ELECTROMECHANICAL, 1350 SELF CONTAINED HYDRAULICS (06) - ELECTRICAL

Схема запчастей Case IH 1350 - (4-10) - CLUTCH ACTUATOR, ELECTROMECHANICAL, 1350 SELF CONTAINED HYDRAULICS (06) - ELECTRICAL
FIT
1:1
100%

Артикул

Название

Примечание

Количество

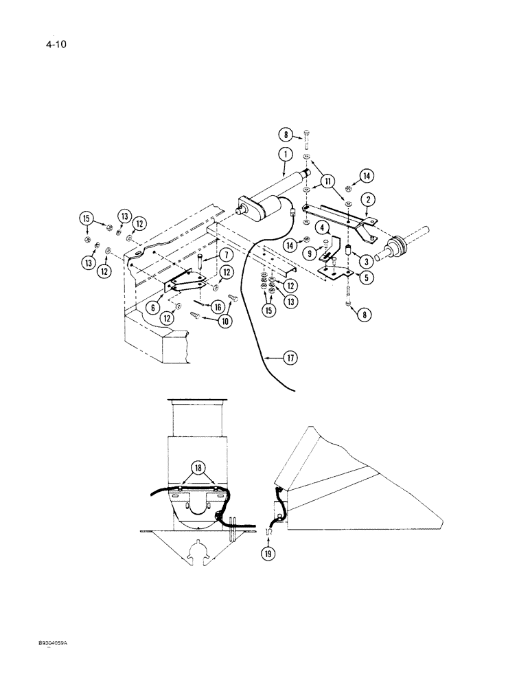
1

102063A1

ACTUATOR

- electromechanical

1шт.

2

1547388C1

ARM

- clutch

1шт.

3

H39274

SPACER,1/2" Pipe x 1 1/2"

- clutch arm

1шт.

4

1547387C1

STOP

- clutch actuator

1шт.

5

1547386C1

PLATE

- mounting

1шт.

6

1547385C1

BRACKET

- actuator mounting

1шт.

7

141-58

CLEVIS PIN,1/2" x 2.218"

PIN - clevis, 1/2 x 2-1/2 inch

1шт.

8

413-840

BOLT,Hex, 1/2" - 13 x 2-1/2", Gr 5

- hex, 1/2 NC x 2-1/2 inch

2шт.

9

434-616

CARRIAGE BOLT,Sht Sq Nk, 3/8" - 16 x 1", Gr 5

BOLT - round head square neck, 3/8 x 1-1/4 inch

2шт.

10

413-616

BOLT,Hex, 3/8" - 16 x 1", Gr 5

- hex, 3/8 NC x 1 inch

2шт.

11

495-21056

WASHER,1/2"

- flat, 9/16 x 1-3/8 x 3/32 inch

4шт.

12

495-11041

WASHER,0.406" ID x 0.812" OD x 0.065" W

(Flat, 13/32 x 13/16 x 1/16") 3/8", SAE

6шт.

13

492-11038

LOCK WASHER,3/8"

4шт.

14

231-4218

LOCK NUT,1/2"-13, GB

NUT - hex, self-locking, 1/2 inch NC

2шт.

15

425-106

NUT,3/8"-16, Cl 5

8шт.

16

32-824

COTTER PIN,1/8" x 1 1/2"

Pin, Split (Cotter), 1/8" x 1 1/2"

1шт.

17

1547356C1

HARNESS

- wiring, with connector

1шт.

18

299404C1

CLAMP

- wire

3шт.

19

548152R1

CLIP

- spring

3шт.

Выбрано товаров: 19