Запчасти Case IH 1350 (4-12) - DISCHARGE ACTUATOR AND CONTROL, 1350 SELF CONTAINED HYDRAULICS (06) - ELECTRICAL

Схема запчастей Case IH 1350 - (4-12) - DISCHARGE ACTUATOR AND CONTROL, 1350 SELF CONTAINED HYDRAULICS (06) - ELECTRICAL
FIT
1:1
100%

Артикул

Название

Примечание

Количество

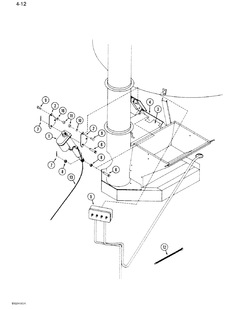
1

102063A1

ACTUATOR

- electromechanical

1шт.

2

1547383C1

PLATE

1шт.

3

1547389C1

COVER

- back hopper

1шт.

4

1547384C1

DOOR

- discharge

1шт.

5

CONTROL BOX, order machine attachment

1шт.

6

141-58

CLEVIS PIN,1/2" x 2.218"

PIN - clevis, 1/2 x 2-1/2 inch

2шт.

7

32-824

COTTER PIN,1/8" x 1 1/2"

Pin, Split (Cotter), 1/8" x 1 1/2"

2шт.

8

872534R1

SPACER,1/2" Pipe x 3/8"

- discharge door

2шт.

9

413-612

BOLT,Hex, 3/8" - 16 x 3/4", Gr 5

4шт.

10

492-11038

LOCK WASHER,3/8"

4шт.

11

425-106

NUT,3/8"-16, Cl 5

4шт.

12

58556C1

CABLE TIE

STRAP - retaining, 14 inch

10шт.

13

1547356C1

HARNESS

- wiring, with connector

1шт.

Выбрано товаров: 13