Запчасти Case IH 1350 (9A-070) - CORN SHELLER DRIVE (09) - CHASSIS ATTACHMENTS

Схема запчастей Case IH 1350 - (9A-070) - CORN SHELLER DRIVE (09) - CHASSIS ATTACHMENTS
FIT
1:1
100%

Артикул

Название

Примечание

Количество

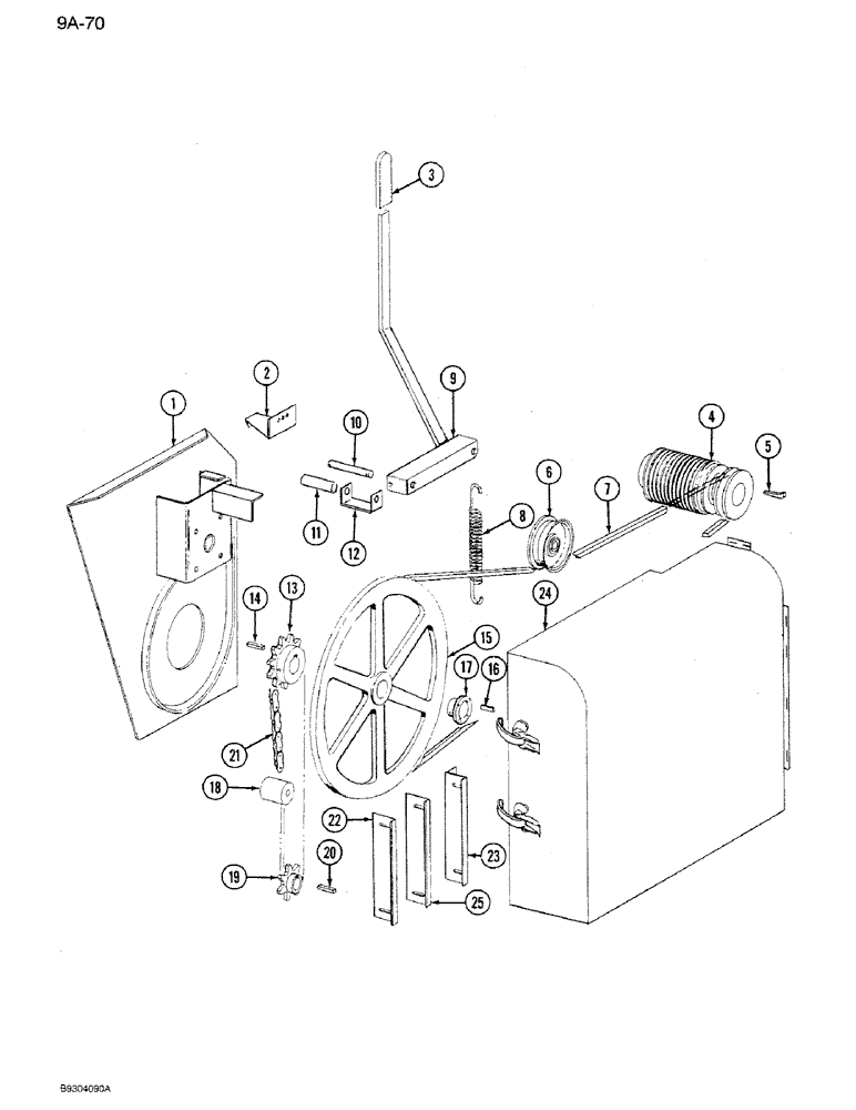
1

NSS

NOT SOLD SEPARAT

FRAME - front head

1шт.

2

58529C1

BRACKET

- clutch arm, lock

1шт.

3

488448R1

GRIP

- clutch handle

1шт.

4

58530C1

PULLEY

- drive

1шт.

5

64668C1

KEY

- tapered

1шт.

6

662958R91

PULLEY

- idler

1шт.

470-13816

SCREW,Slotted Pan Hd, 3/8"-16 x 1"

- machine, pan head slotted, 3/8 NC x 1 inch

1шт.

396-21066

WASHER,16.66mm ID x 33.33mm OD x 4.27mm Thk

7шт.

492-11062

BEARING WASHER,5/8"

WASHER, LOCK, 5/8"

1шт.

425-1010

NUT,5/8"-11, G5

1шт.

7

58532C1

V-BELT,82.00" L

82.00" L

1шт.

8

485872R1

SPRING

- clutch control

1шт.

9

58533C1

BRACKET - clutch control

1шт.

10

58534C1

PIN

- clutch control bracket

1шт.

32-616

COTTER PIN,3/32" x 1"

Pin, Split (Cotter), 3/32" x 1"

2шт.

11

58535C1

SPACER

- 5/8 x 13/16 x 7/8 inch

1шт.

12

58536C1

BRACKET

- clutch control

1шт.

434-616

CARRIAGE BOLT,Sht Sq Nk, 3/8" - 16 x 1", Gr 5

BOLT - round head square neck, 3/8 NC x 1 inch

2шт.

492-11038

LOCK WASHER,3/8"

2шт.

425-106

NUT,3/8"-16, Cl 5

2шт.

13

58537C1

SPROCKET ASSY.

SPROCKET - 28 tooth

1шт.

14

454353R1

KEY,3/8" Sq x 1", Par

- square, parallel, 3/8 x 1 inch

1шт.

15

58539C1

PULLEY

- less hub

1шт.

16

58540C1

KEY

- square parallel, 1/4 x 3/8 x 1-1/4 inch

1шт.

17

58541C1

HUB

1шт.

413-412

BOLT,Hex, 1/4" - 20 x 3/4", Gr 5

- hex, 1/4 NC x 3/4 inch

2шт.

18

488228R1

BLOCK

- wood, chain tightener

1шт.

413-640

BOLT,Hex, 3/8" - 16 x 2-1/2", Gr 5

- hex, 3/8 NC x 2-1/2 inch

2шт.

495-11041

WASHER,0.406" ID x 0.812" OD x 0.065" W

(Flat, 13/32 x 13/16 x 1/16") 3/8", SAE

1шт.

492-11038

LOCK WASHER,3/8"

1шт.

425-106

NUT,3/8"-16, Cl 5

1шт.

19

488492R1

SPROCKET ASSY.

SPROCKET - 13 tooth

1шт.

20

452779R1

KEY,1/4" Sq x 3/4", Par

- square parallel, 1/4 x 3/4 inch

1шт.

21

NSS

NOT SOLD SEPARAT

CHAIN - (Use 55 links from roll 1790D, 2 offset links 1303D and 1 connecting link 1301D)

1шт.

22

58718C1

BRACKET - outside door latch

1шт.

434-512

CARRIAGE BOLT,Sht Sq Nk, 5/16" - 18 x 3/4", Gr 5

BOLT, CARRIAGE, Short NK, 5/16"-18 x 3/4", G5, Full Thd

2шт.

938017R1

FLANGE NUT,Flg, USR, 5/16"-18

- hex flange lock, 5/16 inch NC

2шт.

23

76949C1

BRACKET

- inside door latch

1шт.

24

76941C1

SHIELD

- sheller drive, with decal

1шт.

440-1258

SCREW,Cross Pan Hd, 1/4"-20 x 1/2"

- machine, pan head Phillips, 1/4 NC x 1/2 inch

6шт.

938016R1

FLANGE NUT,Flg, USR, 1/4"-20

- hex flange lock, 1/4 inch NC

6шт.

25

76948C1

BRACKET

- middle door latch

1шт.

434-512

CARRIAGE BOLT,Sht Sq Nk, 5/16" - 18 x 3/4", Gr 5

BOLT, CARRIAGE, Short NK, 5/16"-18 x 3/4", G5, Full Thd

2шт.

938017R1

FLANGE NUT,Flg, USR, 5/16"-18

- hex flange lock, 5/16 inch NC

2шт.

Выбрано товаров: 44